LEMON Manuals: Even more car manuals for everyone
Home >> Lexus >> 2021 >> UX 200 Base >> Repair and Diagnosis (Single Page) >> Body & Frame >> Windows >> Power Window Control System (Diagnostic Codes & Symptom Tests) >> Power Window Control System >> Front Passenger Side Power Window does not Operate with Front Passenger Side Power Window Switch [10/2018 - 07/2022] >> Wiring Diagram

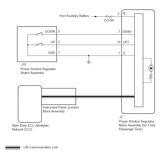
Front Passenger Side Power Window does not Operate with Front Passenger Side Power Window Switch [10/2018 - 07/2022]: Wiring Diagram

GTY827300Courtesy of © TOYOTA, LICENSE AGREEMENT TMS1002