LEMON Manuals: Even more car manuals for everyone
Home >> Lexus >> 2021 >> RC F Base >> Repair and Diagnosis >> Engine Performance >> System >> Engine Control System - Diagnostic Codes (6 Of 9) >> SFI System >> DTC P0705: Transmission Range Sensor Circuit (PRNDL Input) [09/2014 - ] >> Wiring Diagram

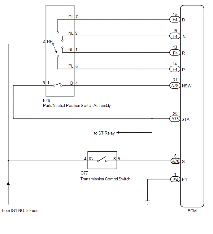
DTC P0705: Transmission Range Sensor Circuit (PRNDL Input) [09/2014 - ]: Wiring Diagram

GTY1084529Courtesy of © TOYOTA, LICENSE AGREEMENT TMS1002