LEMON Manuals: Even more car manuals for everyone
Home >> Lexus >> 2021 >> RC F Base >> Repair and Diagnosis >> Engine Performance >> Engine Control Systems >> Engine Control System - Service Information >> Relay >> On-Vehicle Inspection [09/2014 - ] >> Procedure

On-Vehicle Inspection [09/2014 - ]: Procedure

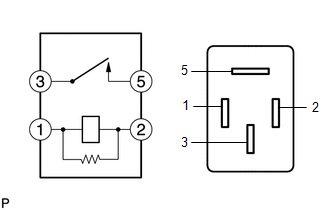
  1. INSPECT INJECTOR RELAY (INJ NO. 1) 
    1. Measure the resistance according to the value(s) in the table below.

      Standard Resistance

      Tester Connection Condition Specified Condition
      3 - 5 Battery voltage not applied between terminals 1 and 2 10 kΩ or higher
      Battery voltage applied between terminals 1 and 2 Below 1 Ω
      GTY447534Courtesy of © TOYOTA, LICENSE AGREEMENT TMS1002

      If the result is not as specified, replace the injector relay (INJ NO. 1).

  2. INSPECT INJECTOR RELAY (INJ NO. 2) 
    1. Measure the resistance according to the value(s) in the table below.

      Standard Resistance

      Tester Connection Condition Specified Condition
      3 - 5 Battery voltage not applied between terminals 1 and 2 10 kΩ or higher
      Battery voltage applied between terminals 1 and 2 Below 1 Ω
      GTY447534Courtesy of © TOYOTA, LICENSE AGREEMENT TMS1002

      If the result is not as specified, replace the injector relay (INJ NO. 2).

  3. INSPECT EFI CIRCUIT OPENING RELAY ASSEMBLY (C/OPN) (for Brush Type Motor) 
    1. Measure the resistance according to the value(s) in the table below.

      Standard Resistance

      Tester Connection Condition Specified Condition
      3 - 5 Battery voltage not applied between terminals 1 and 2 10 kΩ or higher
      Battery voltage applied between terminals 1 and 2 Below 1 Ω
      GTY447534Courtesy of © TOYOTA, LICENSE AGREEMENT TMS1002

      If the result is not as specified, replace the EFI circuit opening relay assembly (C/OPN).

  4. INSPECT EFI 2 RELAY (EFI MAIN NO. 2) 
    1. Measure the resistance according to the value(s) in the table below.

      Standard Resistance

      Tester Connection Condition Specified Condition
      3 - 5 Battery voltage not applied between terminals 1 and 2 10 kΩ or higher
      Battery voltage applied between terminals 1 and 2 Below 1 Ω
      GTY447534Courtesy of © TOYOTA, LICENSE AGREEMENT TMS1002

      If the result is not as specified, replace the EFI 2 relay (EFI MAIN NO. 2).

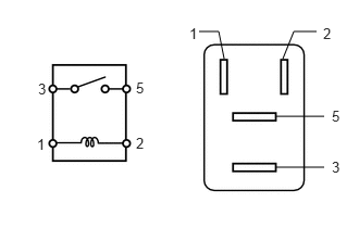
  5. INSPECT VVT RELAY (VVT RH) 
    1. Measure the resistance according to the value(s) in the table below.

      Standard Resistance

      Tester Connection Condition Specified Condition
      3 - 5 Battery voltage not applied between terminals 1 and 2 10 kΩ or higher
      Battery voltage applied between terminals 1 and 2 Below 1 Ω
      GTY499097Courtesy of © TOYOTA, LICENSE AGREEMENT TMS1002

      If the result is not as specified, replace the VVT relay (VVT RH).

  6. INSPECT VVT RELAY (VVT LH) 
    1. Measure the resistance according to the value(s) in the table below.

      Standard Resistance

      Tester Connection Condition Specified Condition
      3 - 5 Battery voltage not applied between terminals 1 and 2 10 kΩ or higher
      Battery voltage applied between terminals 1 and 2 Below 1 Ω
      GTY499097Courtesy of © TOYOTA, LICENSE AGREEMENT TMS1002

      If the result is not as specified, replace the VVT relay (VVT LH).