LEMON Manuals: Even more car manuals for everyone
Home >> Lexus >> 2021 >> RC F Base >> Repair and Diagnosis (Single Page) >> Restraints >> Restraints Control Systems >> Pre-Collision System - Diagnostic Codes (1 Of 2) >> Pre-Collision System >> DTC C1A4B: Stop Light Relay Circuit [11/2017 - 03/2019] >> Wiring Diagram

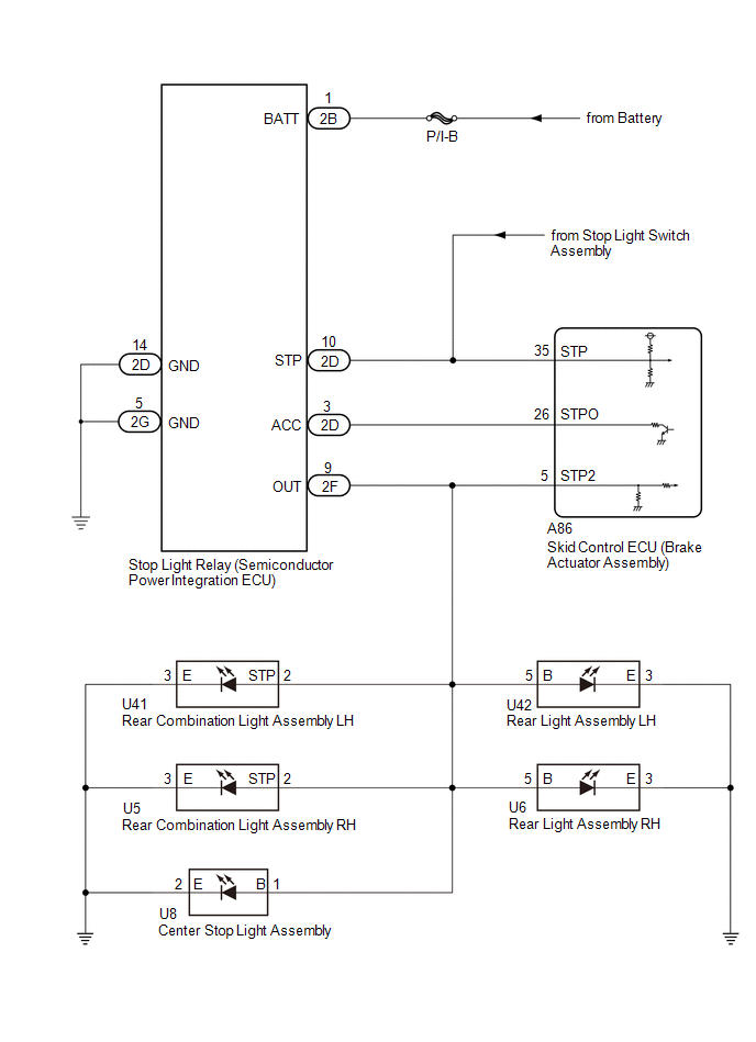
DTC C1A4B: Stop Light Relay Circuit [11/2017 - 03/2019]: Wiring Diagram

GTY820960Courtesy of © TOYOTA, LICENSE AGREEMENT TMS1002