LEMON Manuals: Even more car manuals for everyone
Home >> Lexus >> 2021 >> RC F Base >> Repair and Diagnosis (Single Page) >> Accessories & Equipment >> Communication Devices >> Can Communication System - Diagnostic Codes (1 Of 3) >> Can Communication System >> DTC U0132-87: Lost Communication with Suspension Control Module "A" Missing Message; DTC U1172: Lost Communication with Vehicle Dynamics Control Module (ch2) [03/2019 - 01/2023] >> Wiring Diagram

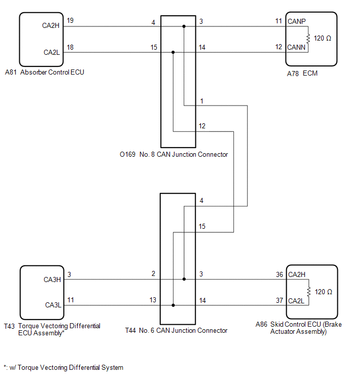
DTC U0132-87: Lost Communication with Suspension Control Module "A" Missing Message; DTC U1172: Lost Communication with Vehicle Dynamics Control Module (ch2) [03/2019 - 01/2023]: Wiring Diagram

GTY956309Courtesy of © TOYOTA, LICENSE AGREEMENT TMS1002