LEMON Manuals: Even more car manuals for everyone
Home >> Lexus >> 2021 >> RC F Base >> Repair and Diagnosis (Single Page) >> Accessories & Equipment >> Anti-Theft Systems >> Smart Access System (For Start) - Diagnostic Codes & Symptom Tests >> SMART ACCESS SYSTEM WITH PUSH-BUTTON START (for Start Function) >> Power Source Mode does not Change to ON (IG and ACC) [09/2014 - ] >> Wiring Diagram

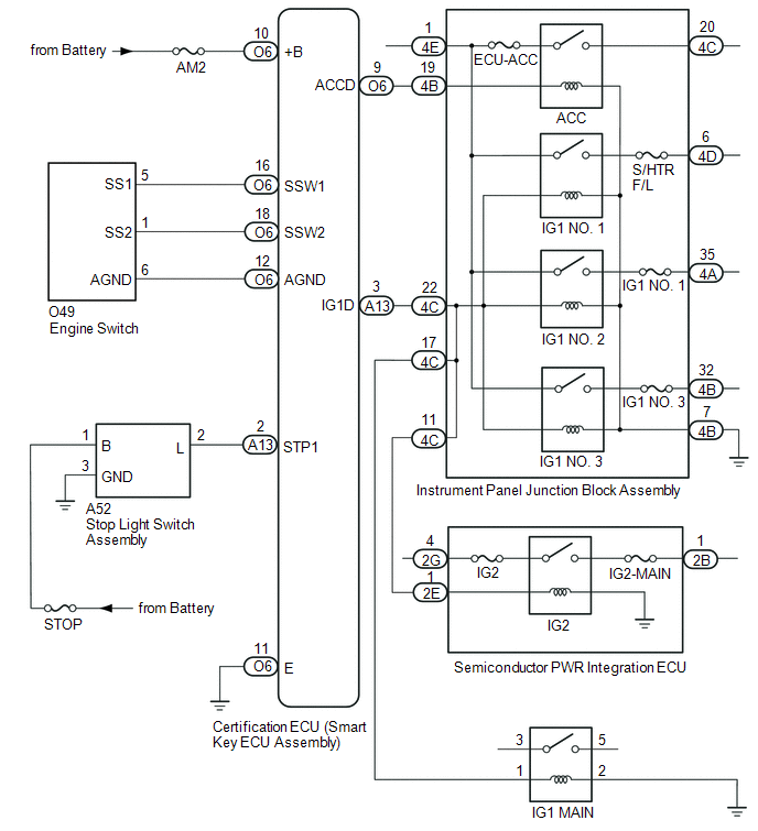
Power Source Mode does not Change to ON (IG and ACC) [09/2014 - ]: Wiring Diagram

GTY516693Courtesy of © TOYOTA, LICENSE AGREEMENT TMS1002