LEMON Manuals: Even more car manuals for everyone
Home >> Lexus >> 2021 >> RC 350 Base, AWD >> Repair and Diagnosis (Single Page) >> Accessories & Equipment >> Drivers Assistance Systems - ADAS >> Forward Recognition Camera System - Diagnostics - Introduction >> Forward Recognition Camera System >> System Diagram [11/2017 - 10/2022] >> System Diagram [11/2017 - 10/2022]

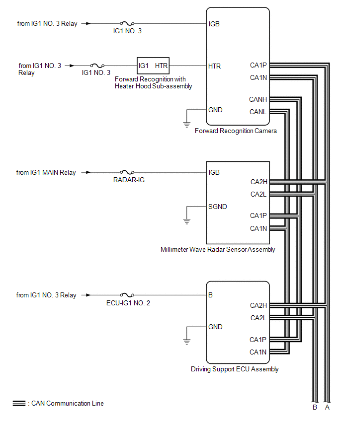
System Diagram [11/2017 - 10/2022]

GTY782955Courtesy of © TOYOTA, LICENSE AGREEMENT TMS1002
GTY803097Courtesy of © TOYOTA, LICENSE AGREEMENT TMS1002
GTY782894Courtesy of © TOYOTA, LICENSE AGREEMENT TMS1002
COMMUNICATION TABLE

Sender Receiver Signal Line
Forward Recognition Camera Main Body ECU (Multiplex Network Body ECU) Automatic high beam control signal CAN
Driving Support ECU Assembly Forward Recognition Camera PCS control information signal CAN
ECM Forward Recognition Camera
  • Shift position signal (P, R, N, D)
  • Engine type information signal
  • Vehicle specification information (2WD/4WD information, conventional/ hybrid information)
  • Cruise control system control signal
CAN
Main Body ECU (Multiplex Network Body ECU) Forward Recognition Camera Vehicle specification information (destination) CAN
Skid Control ECU (Brake Actuator Assembly) Forward Recognition Camera
  • Vehicle speed signal
  • Stop light switch signal
  • Vehicle yaw rate sensor zero point malfunction signal
  • Vehicle stability control system operation signal
  • Vehicle stability control system malfunction signal
CAN
Yaw Rate Sensor Forward Recognition Camera Vehicle yaw rate sensor signal CAN