LEMON Manuals: Even more car manuals for everyone
Home >> Lexus >> 2021 >> NX 300h Base >> Repair and Diagnosis >> Accessories & Equipment >> Anti-Theft Systems >> Smart Access System With Push-Button Start (For Start Function) - Diagnostic Codes & Symptom Tests >> SMART ACCESS SYSTEM WITH PUSH-BUTTON START (for Start Function) >> Power Source Mode does not Change to ON (IG and ACC) [10/2014 - ] >> Wiring Diagram

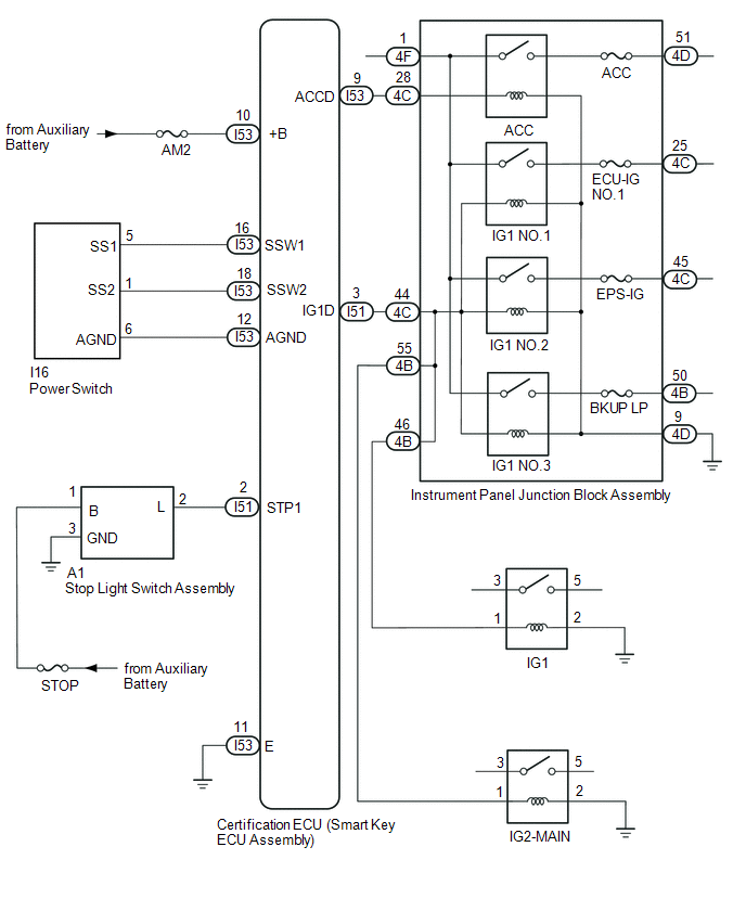
Power Source Mode does not Change to ON (IG and ACC) [10/2014 - ]: Wiring Diagram

GTY504488Courtesy of © TOYOTA, LICENSE AGREEMENT TMS1002