LEMON Manuals: Even more car manuals for everyone
Home >> Lexus >> 2021 >> NX 300 Base, AWD >> Repair and Diagnosis >> Engine Performance >> System >> Engine Control System - Diagnostics - Introduction (1 Of 4) >> SFI System >> System Diagram [05/2019 - ] >> System Diagram [05/2019 - ]

System Diagram [05/2019 - ]

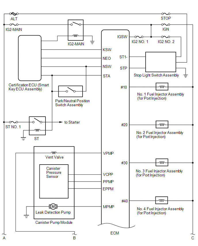
Fig 1: SFI System Wiring Diagram [05/2019 - ] (1 Of 5)
GTY506143Courtesy of © TOYOTA, LICENSE AGREEMENT TMS1002
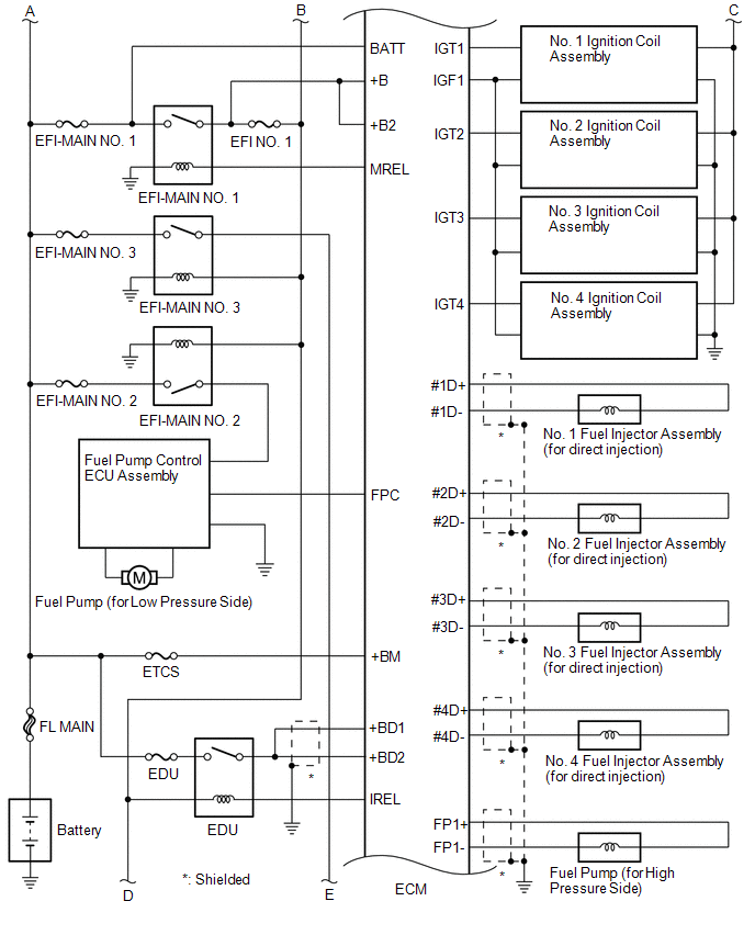
Fig 2: SFI System Wiring Diagram [05/2019 - ] (2 Of 5)
GTY505402Courtesy of © TOYOTA, LICENSE AGREEMENT TMS1002
Fig 3: SFI System Wiring Diagram [05/2019 - ] (3 Of 5)
GTY947846Courtesy of © TOYOTA, LICENSE AGREEMENT TMS1002
Fig 4: SFI System Wiring Diagram [05/2019 - ] (4 Of 5)
GTY507851Courtesy of © TOYOTA, LICENSE AGREEMENT TMS1002
Fig 5: SFI System Wiring Diagram [05/2019 - ] (5 Of 5)
GTY499121Courtesy of © TOYOTA, LICENSE AGREEMENT TMS1002