LEMON Manuals: Even more car manuals for everyone
Home >> Lexus >> 2021 >> LS 500h RWD >> Repair and Diagnosis >> External Pages >> Different car >> Section 28 (Smart Access System (For Start, W/ Front Lidar Sensor) - Diagnostics - Introduction) >> SMART ACCESS SYSTEM WITH PUSH-BUTTON START (for Start Function, with Front LiDAR Sensor) >> System Diagram [10/2023 - ] >> System Diagram [10/2023 - ]

System Diagram [10/2023 - ]

WARNING: This page is about a different car, the 2024 Lexus LS 500h. However, it is still accessible from the selected car via links, so may be relevant.
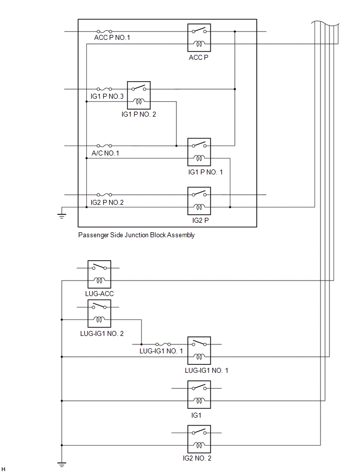
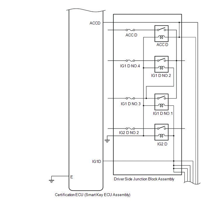
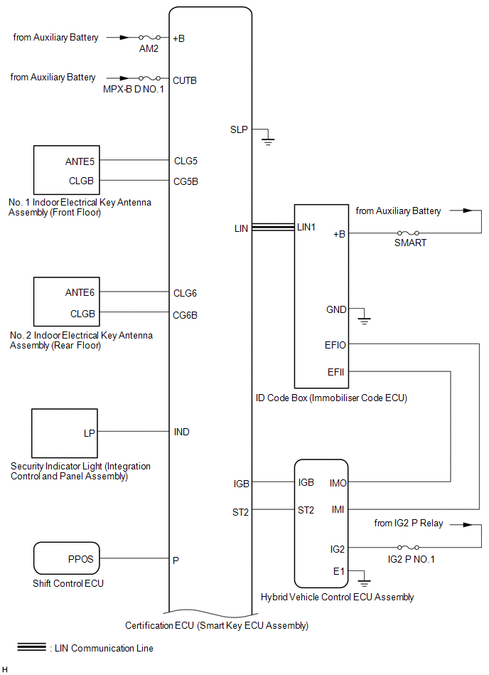
  1. SMART ACCESS SYSTEM WITH PUSH-BUTTON START (for Start Function) 
    GTY1128880Courtesy of © TOYOTA, LICENSE AGREEMENT TMS1002
    GTY1228771Courtesy of © TOYOTA, LICENSE AGREEMENT TMS1002
    GTY788018Courtesy of © TOYOTA, LICENSE AGREEMENT TMS1002
    GTY807407Courtesy of © TOYOTA, LICENSE AGREEMENT TMS1002
  2. SMART ACCESS SYSTEM WITH PUSH-BUTTON START (for Entry Function) 

    Refer to SYSTEM DIAGRAM [10/2023 - ]