LEMON Manuals: Even more car manuals for everyone
Home >> Lexus >> 2021 >> LS 500 Base, AWD >> Repair and Diagnosis >> Restraints >> Restraints Control Systems >> Easy Access Buckle System - Diagnostic Codes & Symptom Tests >> Easy Access Buckle System >> Front Passenger Seat Easy Access Buckle Function does not Operate [10/2023 - ] >> Wiring Diagram

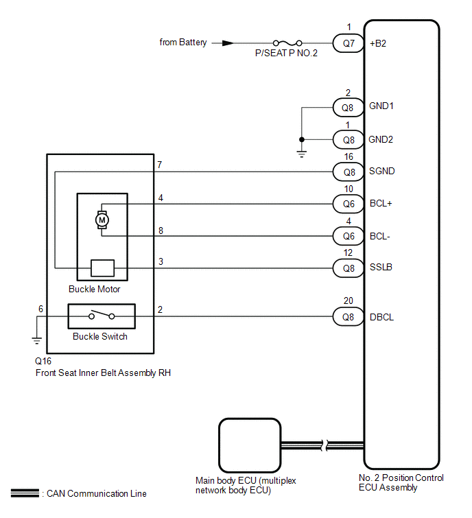
Front Passenger Seat Easy Access Buckle Function does not Operate [10/2023 - ]: Wiring Diagram

GTY1229445Courtesy of © TOYOTA, LICENSE AGREEMENT TMS1002