LEMON Manuals: Even more car manuals for everyone
Home >> Lexus >> 2021 >> LS 500 Base, AWD >> Repair and Diagnosis >> Restraints >> Restraints Control Systems >> Easy Access Buckle System - Diagnostic Codes & Symptom Tests >> Easy Access Buckle System >> Driver Seat Easy Access Buckle Function does not Operate [12/2017 - 10/2023] >> Wiring Diagram

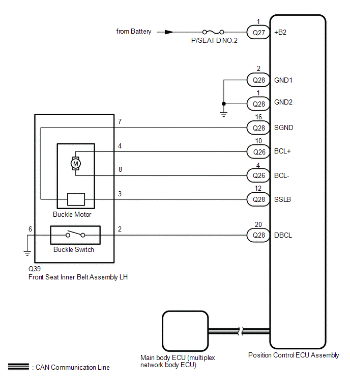
Driver Seat Easy Access Buckle Function does not Operate [12/2017 - 10/2023]: Wiring Diagram

GTY779056Courtesy of © TOYOTA, LICENSE AGREEMENT TMS1002