LEMON Manuals: Even more car manuals for everyone
Home >> Lexus >> 2021 >> LS 500 Base, AWD >> Repair and Diagnosis >> Engine Performance >> System >> Engine Control System - Diagnostics - Introduction (1 Of 8) >> SFI System >> System Diagram [12/2017 - 10/2020] >> System Diagram [12/2017 - 10/2020]

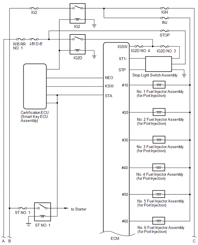
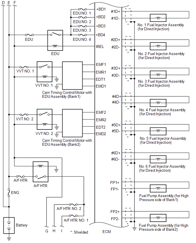
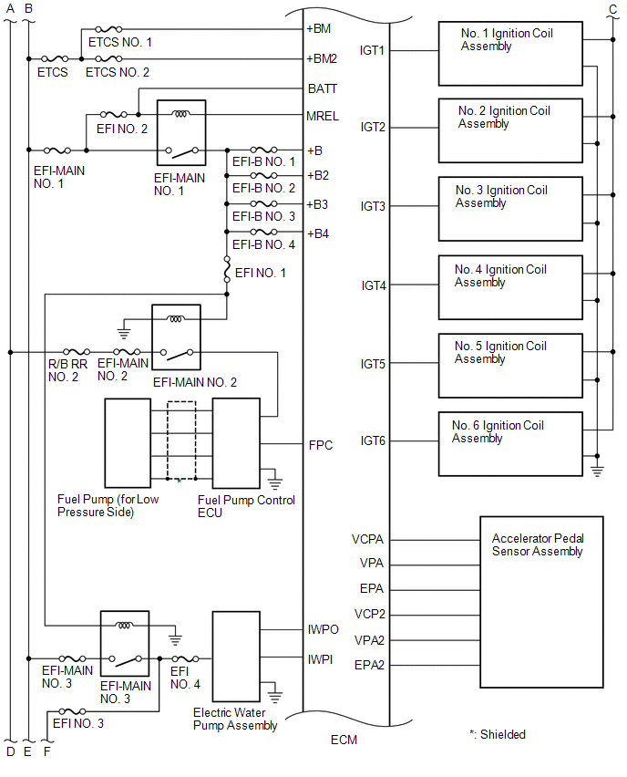
System Diagram [12/2017 - 10/2020]

GTY827194Courtesy of © TOYOTA, LICENSE AGREEMENT TMS1002
GTY780581Courtesy of © TOYOTA, LICENSE AGREEMENT TMS1002
GTY820191Courtesy of © TOYOTA, LICENSE AGREEMENT TMS1002
GTY825073Courtesy of © TOYOTA, LICENSE AGREEMENT TMS1002
GTY829595Courtesy of © TOYOTA, LICENSE AGREEMENT TMS1002
GTY830582Courtesy of © TOYOTA, LICENSE AGREEMENT TMS1002
GTY827233Courtesy of © TOYOTA, LICENSE AGREEMENT TMS1002