LEMON Manuals: Even more car manuals for everyone
Home >> Lexus >> 2021 >> LS 500 Base, AWD >> Repair and Diagnosis >> Engine Performance >> Engine Control Systems >> Engine Control System - Service Information >> Relay >> On-Vehicle Inspection [12/2017 - 10/2023] >> Procedure

On-Vehicle Inspection [12/2017 - 10/2023]: Procedure

  1. INSPECT NO. 1 ELECTRONIC FUEL INJECTION MAIN RELAY (EFI-MAIN NO. 1) 
    1. Measure the resistance according to the value(s) in the table below.
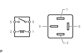
      GTY776398Courtesy of © TOYOTA, LICENSE AGREEMENT TMS1002

      Standard Resistance

      Tester Connection Condition Specified Condition
      3 - 5 Battery voltage not applied between terminals 1 and 2 10 kΩ or higher
      Battery voltage applied between terminals 1 and 2 Below 1 Ω

      If the result is not as specified, replace the No. 1 electronic fuel injection main relay (EFI-MAIN NO. 1).

  2. INSPECT NO. 2 ELECTRONIC FUEL INJECTION MAIN RELAY (EFI-MAIN NO. 2) 
    1. Measure the resistance according to the value(s) in the table below.
      GTY447534Courtesy of © TOYOTA, LICENSE AGREEMENT TMS1002

      Standard Resistance

      Tester Connection Condition Specified Condition
      3 - 5 Battery voltage not applied between terminals 1 and 2 10 kΩ or higher
      Battery voltage applied between terminals 1 and 2 Below 1 Ω

      If the result is not as specified, replace the No. 2 electronic fuel injection main relay (EFI-MAIN NO. 2).

  3. INSPECT NO. 3 ELECTRONIC FUEL INJECTION MAIN RELAY (EFI-MAIN NO. 3) 
    1. Measure the resistance according to the value(s) in the table below.
      GTY751946Courtesy of © TOYOTA, LICENSE AGREEMENT TMS1002

      Standard Resistance

      Tester Connection Condition Specified Condition
      3 - 5 Battery voltage not applied between terminals 1 and 2 10 kΩ or higher
      Battery voltage applied between terminals 1 and 2 Below 1 Ω

      If the result is not as specified, replace the No. 3 electronic fuel injection main relay (EFI-MAIN NO. 3).

  4. INSPECT ELECTRONIC DRIVER UNIT RELAY (EDU) 
    1. Measure the resistance according to the value(s) in the table below.
      GTY776398Courtesy of © TOYOTA, LICENSE AGREEMENT TMS1002

      Standard Resistance

      Tester Connection Condition Specified Condition
      3 - 5 Battery voltage not applied between terminals 1 and 2 10 kΩ or higher
      Battery voltage applied between terminals 1 and 2 Below 1 Ω

      If the result is not as specified, replace the electronic driver unit relay (EDU).

  5. INSPECT AIR FUEL RATIO SENSOR HEATER RELAY (A/F HTR) 
    1. Measure the resistance according to the value(s) in the table below.
      GTY776398Courtesy of © TOYOTA, LICENSE AGREEMENT TMS1002

      Standard Resistance

      Tester Connection Condition Specified Condition
      3 - 5 Battery voltage not applied between terminals 1 and 2 10 kΩ or higher
      Battery voltage applied between terminals 1 and 2 Below 1 Ω

      If the result is not as specified, replace the air fuel ratio sensor heater relay (A/F HTR).

  6. INSPECT NO. 1 VVT RELAY (VVT NO. 1) 
    1. Measure the resistance according to the value(s) in the table below.
      GTY751946Courtesy of © TOYOTA, LICENSE AGREEMENT TMS1002

      Standard Resistance

      Tester Connection Condition Specified Condition
      3 - 5 Battery voltage not applied between terminals 1 and 2 10 kΩ or higher
      Battery voltage applied between terminals 1 and 2 Below 1 Ω

      If the result is not as specified, replace the No. 1 VVT relay (VVT NO. 1).

  7. INSPECT NO. 2 VVT RELAY (VVT NO. 2) 
    1. Measure the resistance according to the value(s) in the table below.
      GTY751946Courtesy of © TOYOTA, LICENSE AGREEMENT TMS1002

      Standard Resistance

      Tester Connection Condition Specified Condition
      3 - 5 Battery voltage not applied between terminals 1 and 2 10 kΩ or higher
      Battery voltage applied between terminals 1 and 2 Below 1 Ω

      If the result is not as specified, replace the No. 2 VVT relay (VVT NO. 2).

  8. INSPECT NO. 2 IGNITION RELAY (IG2) 
    1. Measure the resistance according to the value(s) in the table below.
      GTY751946Courtesy of © TOYOTA, LICENSE AGREEMENT TMS1002

      Standard Resistance

      Tester Connection Condition Specified Condition
      3 - 5 Battery voltage not applied between terminals 1 and 2 10 kΩ or higher
      Battery voltage applied between terminals 1 and 2 Below 1 Ω

      If the result is not as specified, replace the No. 2 ignition relay (IG).