LEMON Manuals: Even more car manuals for everyone
Home >> Lexus >> 2021 >> GX 460 Base >> Repair and Diagnosis >> Accessories & Equipment >> Anti-Theft Systems >> Smart Access System (Entry Function) (Diagnostics - Introduction) ( 1OF 2) >> SMART ACCESS SYSTEM WITH PUSH-BUTTON START (for Entry Function) >> System Diagram [08/2019 - ] >> System Diagram [08/2019 - ]

System Diagram [08/2019 - ]

  1. SMART ACCESS SYSTEM WITH PUSH-BUTTON START (for Entry Function) 
    Fig 1: Smart Access System With Push-Button Start (For Entry Function) Wiring Diagram (1 Of 3) [08/2019 - ]
    GTY960679Courtesy of © TOYOTA, LICENSE AGREEMENT TMS1002
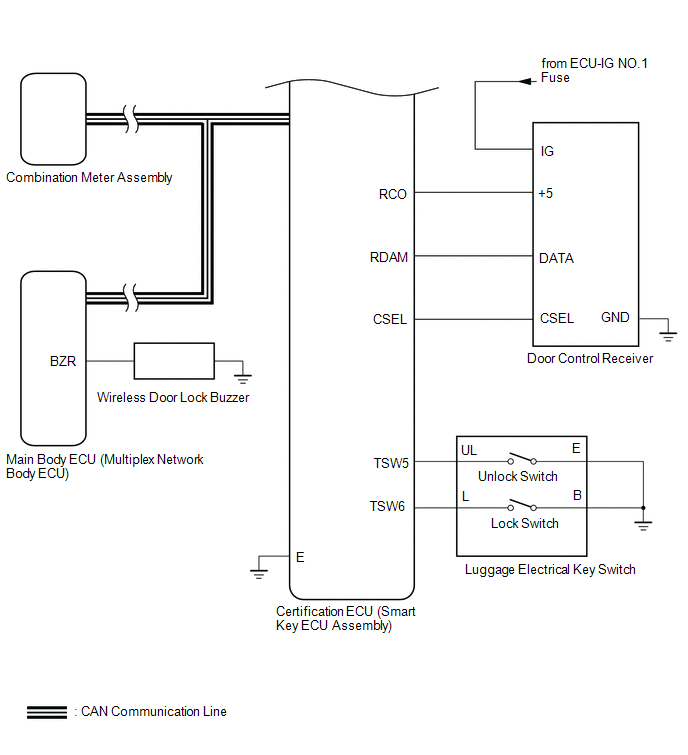
    Fig 2: Smart Access System With Push-Button Start (For Entry Function) Wiring Diagram (2 Of 3) [08/2019 - ]
    GTY950472Courtesy of © TOYOTA, LICENSE AGREEMENT TMS1002
    Fig 3: Smart Access System With Push-Button Start (For Entry Function) Wiring Diagram (3 Of 3) [08/2019 - ]
    GTY961896Courtesy of © TOYOTA, LICENSE AGREEMENT TMS1002
    Component Function
    Front door outside handle assembly Receives request signals from the certification ECU (smart key ECU assembly) via the built-in electrical key antenna (front door) and forms the vehicle exterior detection area.
    Uses the built-in touch sensor (lock sensor/unlock sensor) to detect the operation of the front door outside handle assembly and sends signals to the certification ECU (smart key ECU assembly).
    No. 1 indoor electrical key antenna assembly (front floor)
    No. 2 indoor electrical key antenna assembly (rear floor)
    No. 3 indoor electrical key antenna assembly (inside luggage)
    Receives the request code from the certification ECU (smart key ECU assembly) and forms the vehicle interior detection area.
    Electrical key antenna (outside luggage compartment) Receives the request code from the certification ECU (smart key ECU assembly) and forms the back door exterior detection area.
    Luggage electrical key switch Sends switch operation signals to the certification ECU (smart key ECU assembly).
    Door control receiver Receives the smart access system with push-button start code/wireless code sent from the electrical key transmitter sub-assembly and sends it to the certification ECU (smart key ECU assembly).
    Wireless door lock buzzer Sounds when warning functions operate in accordance with certification ECU (smart key ECU assembly) control.
    Certification ECU (smart key ECU assembly) Sends request codes to each electrical key antenna.
    Distinguishes and verifies the ID code from the electrical key transmitter sub-assembly and sends signals to each ECU in response to operated functions (controls entire system).
    Performs encryption code communication with the ID code box (immobiliser code ECU) when ignition operations are performed.
  2. POWER DOOR LOCK CONTROL SYSTEM 

    Refer to SYSTEM DIAGRAM [08/2019 - ]

  3. WIRELESS DOOR LOCK CONTROL SYSTEM 

    Refer to SYSTEM DIAGRAM [08/2019 - ]

  4. GLASS HATCH OPENER SYSTEM 

    Refer to SYSTEM DIAGRAM [08/2015 - ]

  5. SMART ACCESS SYSTEM WITH PUSH-BUTTON START (for Start Function) 

    Refer to SYSTEM DIAGRAM [08/2019 - 08/2021] , or refer to SYSTEM DIAGRAM [08/2021 - 08/2022] , or refer to SYSTEM DIAGRAM [08/2022 - ]