LEMON Manuals: Even more car manuals for everyone
Home >> Lexus >> 2021 >> ES 250 Base >> Repair and Diagnosis >> External Pages >> Different car >> Section 157 (Front Power Seat Control System (Hybrid) (W/ Memory) - Diagnostics - Introduction) >> FRONT POWER SEAT CONTROL SYSTEM (for HV Model with Memory) >> System Diagram [06/2018 - 08/2021] >> System Diagram [06/2018 - 08/2021]

System Diagram [06/2018 - 08/2021]

WARNING: This page does not describe the selected car, but rather 6 other vehicles, including the 2024 Lexus ES 300h, 2023 Lexus ES 300h, 2022 Lexus ES 300h, 2021 Lexus ES 300h, and 2020 Lexus ES 300h. However, it is still accessible from the selected car via links, so may be relevant.
  1. for TMC Made 
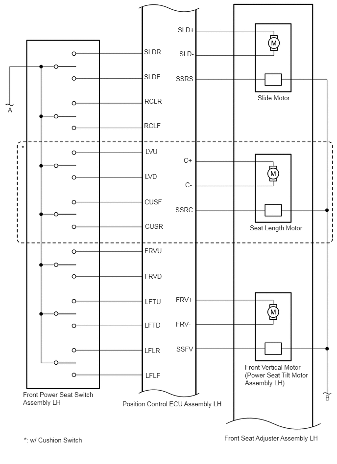
    Fig 1: Front Power Seat Control System for TMC Made Wiring Diagram (1 Of 4)
    GTY820818Courtesy of © TOYOTA, LICENSE AGREEMENT TMS1002
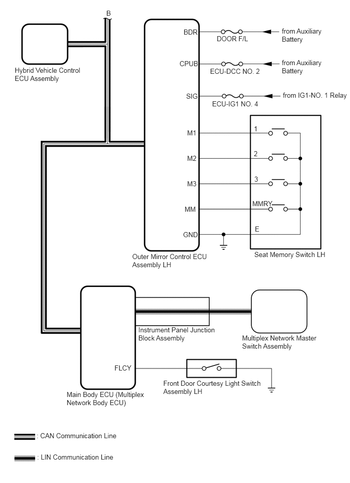
    Fig 2: Front Power Seat Control System for TMC Made Wiring Diagram (2 Of 4)
    GTY802727Courtesy of © TOYOTA, LICENSE AGREEMENT TMS1002
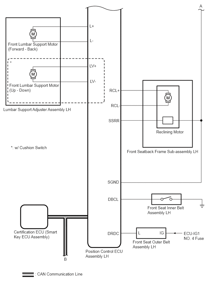
    Fig 3: Front Power Seat Control System for TMC Made Wiring Diagram (3 Of 4)
    GTY949743Courtesy of © TOYOTA, LICENSE AGREEMENT TMS1002
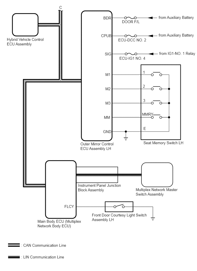
    Fig 4: Front Power Seat Control System for TMC Made Wiring Diagram (4 Of 4)
    GTY815077Courtesy of © TOYOTA, LICENSE AGREEMENT TMS1002
  2. for TMMK Made 
    Fig 5: Front Power Seat Control System Wiring Diagram - For TMMK Made (1 Of 4)
    GTY1085017Courtesy of © TOYOTA, LICENSE AGREEMENT TMS1002
    Fig 6: Front Power Seat Control System Wiring Diagram - For TMMK Made (2 Of 4)
    GTY777974Courtesy of © TOYOTA, LICENSE AGREEMENT TMS1002
    Fig 7: Front Power Seat Control System Wiring Diagram - For TMMK Made (3 Of 4)
    GTY828914Courtesy of © TOYOTA, LICENSE AGREEMENT TMS1002
    Fig 8: Front Power Seat Control System Wiring Diagram - For TMMK Made (4 Of 4)
    GTY949624Courtesy of © TOYOTA, LICENSE AGREEMENT TMS1002
    COMMUNICATION TABLE

    Sender Receiver Signal Line
    Hybrid Vehicle Control ECU Assembly Main Body ECU (Multiplex Network Body ECU) Shift position P signal CAN
    Outer Mirror Control ECU Assembly LH Main Body ECU (Multiplex Network Body ECU)
    • M1 switch signal
    • M2 switch signal
    • M3 switch signal
    • SET switch signal
    CAN
    Main Body ECU (Multiplex Network Body ECU) Position Control ECU Assembly LH
    • Shift position P signal
    • Transmission information
    • Driving position buzzer request
    • Driver seat position request
    • Driver seat position data
    CAN
    Certification ECU (Smart Key ECU Assembly) Main Body ECU (Multiplex Network Body ECU)
    • Power switch signal
    • Memory call replay request
    • Key identification No. 1 to No. 7 acquisition condition
    CAN
    Position Control ECU Assembly LH Main Body ECU (Multiplex Network Body ECU)
    • State signal of driver seat
    • State signal of driving position buzzer
    CAN
    Multiplex Network Master Switch Assembly Main Body ECU (Multiplex Network Body ECU) Door control switch signal LIN