LEMON Manuals: Even more car manuals for everyone
Home >> Lexus >> 2021 >> ES 250 Base >> Repair and Diagnosis (Single Page) >> Accessories & Equipment >> Anti-Theft Systems >> Smart Access System (For Entry) (Except Hybrid) - Diagnostic Codes & Symptom Tests >> SMART ACCESS SYSTEM WITH PUSH-BUTTON START (for Entry Function, Gasoline Model) >> All Door Entry Lock/Unlock Functions and Wireless Functions do not Operate [06/2018 - ] >> Wiring Diagram

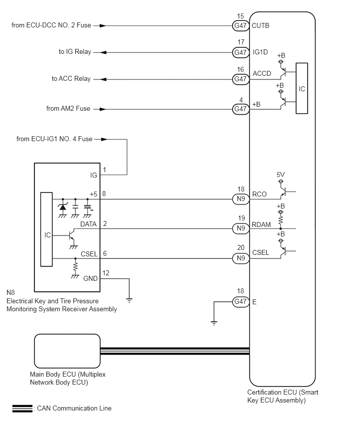
All Door Entry Lock/Unlock Functions and Wireless Functions do not Operate [06/2018 - ]: Wiring Diagram

GTY788346Courtesy of © TOYOTA, LICENSE AGREEMENT TMS1002