LEMON Manuals: Even more car manuals for everyone
Home >> Lexus >> 2020 >> RX 450h Base >> Repair and Diagnosis >> Electrical >> Starter >> Smart Access System (For Start Function) (Diagnostics - Introduction) >> Smart Access System With Push-Button Start (For Start Function) >> System Diagram [03/2018 - ] >> System Diagram [03/2018 - ]

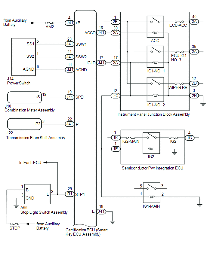
System Diagram [03/2018 - ]

Fig 1: Smart Access System With Push-Button Start (For Start Function) System Diagram [03/2018 - ] (1 Of 3)
GTY676252Courtesy of © TOYOTA, LICENSE AGREEMENT TMS1002
Fig 2: Smart Access System With Push-Button Start (For Start Function) System Diagram [03/2018 - ] (2 Of 3)
GTY777328Courtesy of © TOYOTA, LICENSE AGREEMENT TMS1002
Fig 3: Smart Access System With Push-Button Start (For Start Function) System Diagram [03/2018 - ] (3 Of 3)
GTY641471Courtesy of © TOYOTA, LICENSE AGREEMENT TMS1002
Component Outline
Power switch
  • Transponder key amplifier
  • Turns on the power and starts the hybrid control system.
  • Contains a built-in transponder key amplifier to start the hybrid control system when the electrical key transmitter sub-assembly does not operate properly due to a depleted transmitter battery or wave interference.
Certification ECU (smart key ECU assembly)
  • Changes the power source mode in 4 stages (off, on (ACC), on (IG), on (READY)) in accordance with the shift state and stop light switch.
  • Controls the push-button start function in accordance with signals received from switches and ECUs.
  • Performs key verification.
  • Controls each electrical key antenna (outside), electrical key antenna (indoor) and door lock/unlock sensor.
  • Permits the steering lock ECU (steering lock actuator or upper bracket assembly) to supply power to activate the motor. The certification ECU (smart key ECU assembly) permit starting of the hybrid control system after receiving an unlock signal from the steering lock ECU (steering lock actuator or upper bracket assembly).
  • Outputs steering lock ECU (steering lock actuator or upper bracket assembly) lock/unlock command signals.
  • Outputs Immobilizer set/unset commands.
  • Forms the smart access system with push-button start detection area.
ID code box (Immobilizer code ECU)
  • Receives command signals from the certification ECU (smart key ECU assembly) and outputs Immobilizer set and unset command signals to hybrid vehicle control ECU assembly.
  • Records codes for smart verification.
Steering lock ECU (steering lock actuator or upper bracket assembly)
  • Receives command signals from the certification ECU (smart key ECU assembly) and activates the steering lock ECU (steering lock actuator or upper bracket assembly).
  • Records codes for smart verification.
Combination meter assembly
  • Displays various warnings (messages on the multi-information display) according to the command signals from the certification ECU (smart key ECU assembly).
  • Outputs a vehicle speed signal to the ECUs.
IG, ACC relay Turns on/off according to the certification ECU (smart key ECU assembly) and provides power to each system.
Stop light switch assembly Detects when the brake pedal is depressed (switch is on) and outputs a signal to the certification ECU (smart key ECU assembly).
  • No. 1 indoor electrical key antenna assembly (front floor)
  • No. 2 indoor electrical key antenna assembly (rear floor)
  • No. 3 indoor electrical key antenna assembly (inside luggage compartment)
Sends the request code from the certification ECU (smart key ECU assembly) and forms the vehicle interior detection area.
Electrical key transmitter sub-assembly Sends an ID code upon receiving a request signal.