LEMON Manuals: Even more car manuals for everyone
Home >> Lexus >> 2020 >> RX 350 Base, FWD >> Repair and Diagnosis >> Accessories & Equipment >> Anti-Theft Systems >> Smart Access System With Push-Button Start (For Entry Function) - Diagnostic Codes & Circuit Tests >> SMART ACCESS SYSTEM WITH PUSH-BUTTON START (for Entry Function) >> All Door Entry Lock/Unlock Functions and Wireless Functions do not Operate [09/2015 - ] >> Wiring Diagram

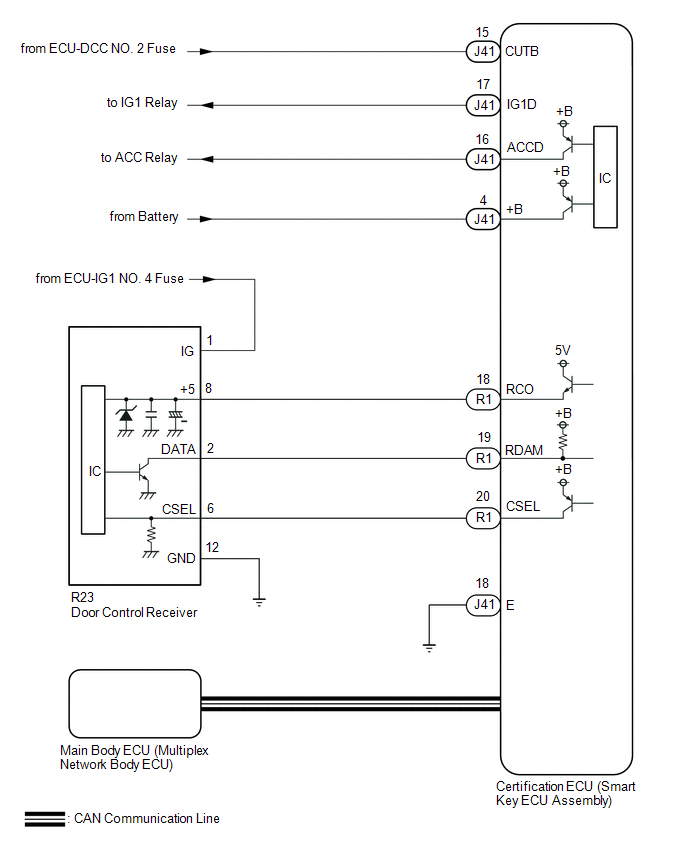
All Door Entry Lock/Unlock Functions and Wireless Functions do not Operate [09/2015 - ]: Wiring Diagram

GTY627677Courtesy of © TOYOTA, LICENSE AGREEMENT TMS1002