LEMON Manuals: Even more car manuals for everyone
Home >> Lexus >> 2020 >> RC 350 Base, AWD >> Repair and Diagnosis (Single Page) >> Engine Performance >> System >> Engine Control System (2GR-FKS) - Diagnostics - Introduction (1 Of 4) >> SFI System >> System Diagram [11/2017 - 09/2020] >> System Diagram [11/2017 - 09/2020]

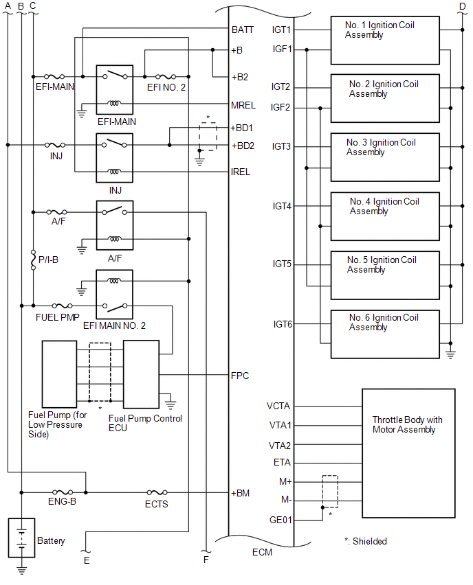
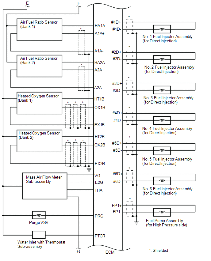
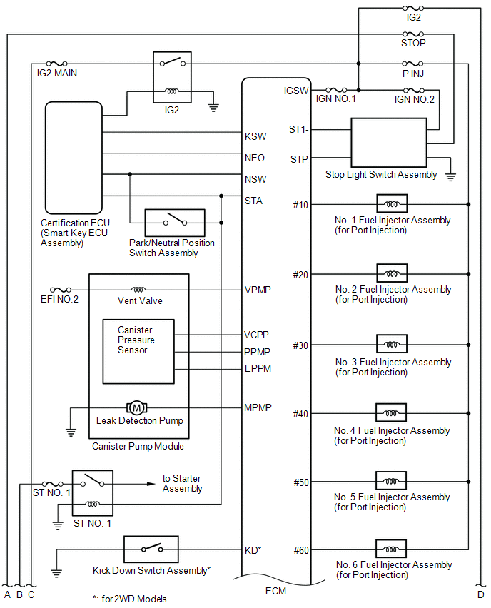
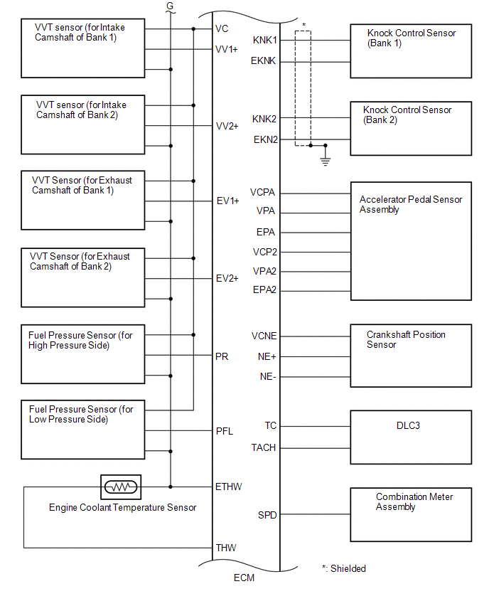
System Diagram [11/2017 - 09/2020]

GTY830967Courtesy of © TOYOTA, LICENSE AGREEMENT TMS1002
GTY779846Courtesy of © TOYOTA, LICENSE AGREEMENT TMS1002
GTY781937Courtesy of © TOYOTA, LICENSE AGREEMENT TMS1002
GTY788190Courtesy of © TOYOTA, LICENSE AGREEMENT TMS1002
GTY831932Courtesy of © TOYOTA, LICENSE AGREEMENT TMS1002