LEMON Manuals: Even more car manuals for everyone
Home >> Lexus >> 2020 >> GS 350 Base, RWD >> Repair and Diagnosis >> Steering >> Steering Column >> Steering Lock System - Diagnostics - Introduction >> Steering Lock System >> System Diagram [10/2015 - ] >> System Diagram [10/2015 - ]

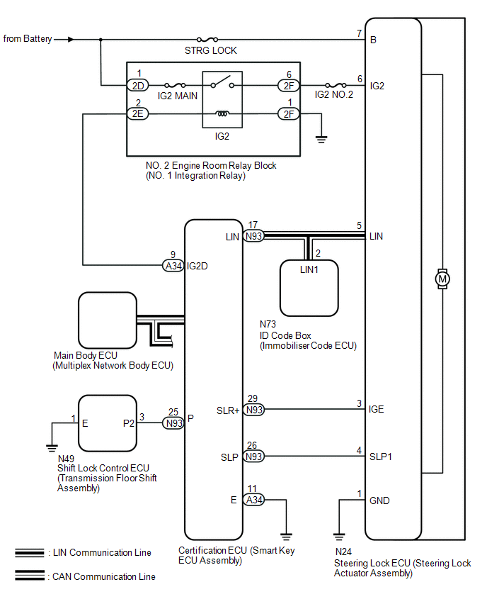
System Diagram [10/2015 - ]

GTY618246Courtesy of © TOYOTA, LICENSE AGREEMENT TMS1002
CIRCUIT DESCRIPTION

Component Outline
Steering Lock ECU (Steering Lock Actuator Assembly) The steering is locked and unlocked by communicating with the certification ECU (smart key ECU assembly) and ID code box (immobiliser code ECU) via LIN communication.
When the following conditions are met, the steering can be unlocked.
  • The codes (L codes) of the ID code box (immobiliser code ECU) and steering lock match.
  • The codes (S codes) of the ID code box (immobiliser code ECU) and certification ECU (smart key ECU assembly) match.
  • The certification ECU (smart key ECU assembly) and key ID codes match.
Certification ECU (Smart Key ECU Assembly) The ID code of the key the user is carrying is sent to the electrical key antenna.
The certification ECU (smart key ECU assembly) compares the key ID code it receives from the electrical key antenna with its own ID code. If they match, the certification ECU (smart key ECU assembly) permits the steering lock ECU to turn the power on, start the engine and unlock and lock the steering.
Outputs a command to supply power to the steering lock motor based on the power source mode, shift position and vehicle speed signal.
ID Code Box (Immobiliser Code ECU)
  • Receives immobiliser set and unset commands from the certification ECU (smart key ECU assembly) via LIN communication and sends them to the ECM.
  • Records codes for smart verification.