LEMON Manuals: Even more car manuals for everyone
Home >> Lexus >> 2019 >> UX 200 Base >> Repair and Diagnosis (Single Page) >> Restraints >> Air Bag, SRS >> Occupant Classification System (Diagnostic Codes & Symptom Tests) >> Occupant Classification System >> DTC B1780: Front Occupant Classification Sensor LH Circuit Malfunction [10/2018 - ] >> Wiring Diagram

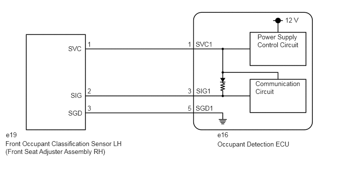
DTC B1780: Front Occupant Classification Sensor LH Circuit Malfunction [10/2018 - ]: Wiring Diagram

GTY806734Courtesy of © TOYOTA, LICENSE AGREEMENT TMS1002