LEMON Manuals: Even more car manuals for everyone
Home >> Lexus >> 2019 >> UX 200 Base >> Repair and Diagnosis (Single Page) >> Body & Frame >> Door Locks >> Smart Access System W/ Push-Button Start (Entry Function) (Diagnostic Codes & Symptom Tests) (Except Hybrid) >> SMART ACCESS SYSTEM WITH PUSH-BUTTON START (for Entry Function, Gasoline Model) >> All Door Entry Lock/Unlock Functions and Wireless Functions do not Operate [10/2018 - 08/2021] >> Wiring Diagram

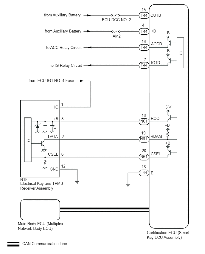
All Door Entry Lock/Unlock Functions and Wireless Functions do not Operate [10/2018 - 08/2021]: Wiring Diagram

GTY827721Courtesy of © TOYOTA, LICENSE AGREEMENT TMS1002