LEMON Manuals: Even more car manuals for everyone
Home >> Lexus >> 2019 >> UX 200 Base >> Repair and Diagnosis (Single Page) >> Accessories & Equipment >> Entertainment Systems >> LEXUS ENFORM System (Diagnostics & Symptom Tests) >> LEXUS ENFORM System >> DCM Data Signal Circuit between Navigation ECU and DCM [10/2019 - 07/2022] >> Wiring Diagram

DCM Data Signal Circuit between Navigation ECU and DCM [10/2019 - 07/2022]: Wiring Diagram

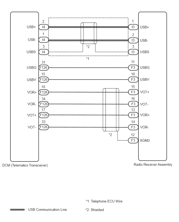
  1. w/o Navigation System 
    GTY970340Courtesy of © TOYOTA, LICENSE AGREEMENT TMS1002
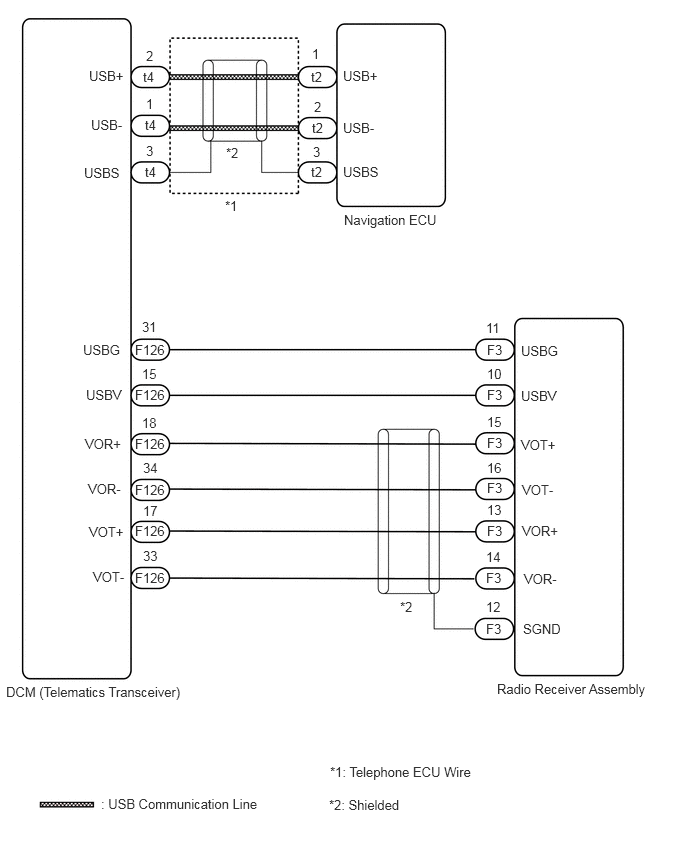
  2. w/ Navigation System 
    GTY970303Courtesy of © TOYOTA, LICENSE AGREEMENT TMS1002