LEMON Manuals: Even more car manuals for everyone
Home >> Lexus >> 2019 >> UX 200 Base >> Repair and Diagnosis (Single Page) >> Accessories & Equipment >> Anti-Theft Systems >> Smart Access System W/ Push-Button Start (Entry Function) (Diagnostic Codes & Symptom Tests) (Except Hybrid) >> SMART ACCESS SYSTEM WITH PUSH-BUTTON START (for Entry Function, Gasoline Model) >> Back Door Entry Lock and Unlock Functions do not Operate [10/2018 - 07/2022] >> Wiring Diagram

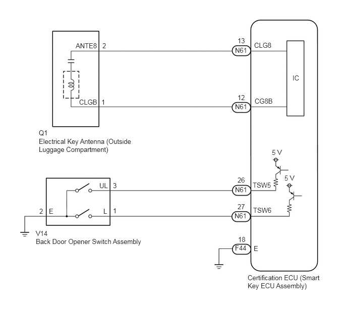
Back Door Entry Lock and Unlock Functions do not Operate [10/2018 - 07/2022]: Wiring Diagram

GTY806118Courtesy of © TOYOTA, LICENSE AGREEMENT TMS1002