LEMON Manuals: Even more car manuals for everyone
Home >> Lexus >> 2019 >> RC F >> Repair and Diagnosis >> Engine Performance >> System >> Engine Control System - Diagnostics - Introduction (1 Of 8) >> SFI System >> System Diagram [03/2019 - ] >> System Diagram [03/2019 - ]

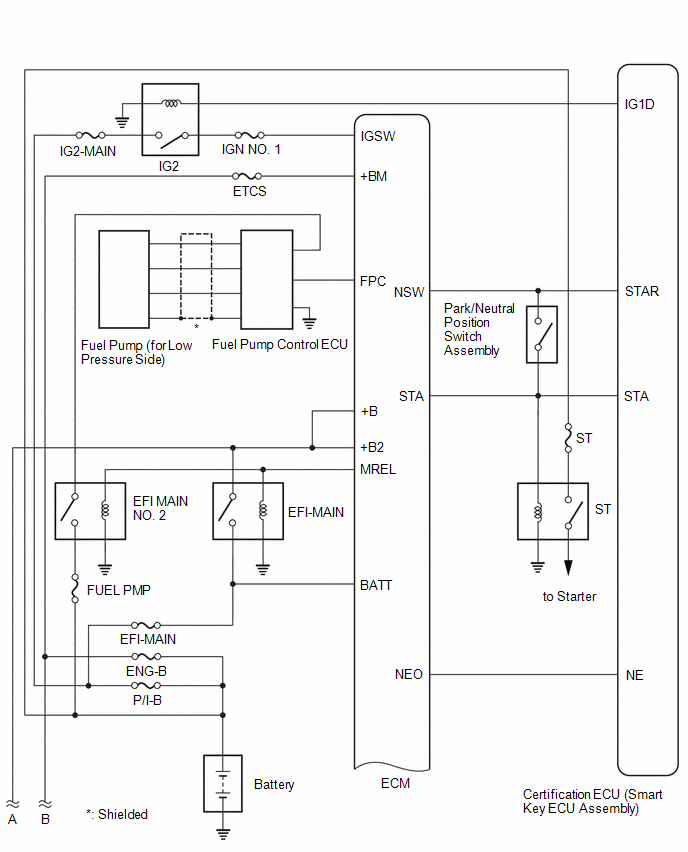
System Diagram [03/2019 - ]

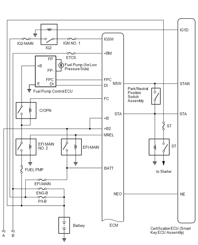
for fuel pump (for low pressure side) (brush type motor) 

GTY838468Courtesy of © TOYOTA, LICENSE AGREEMENT TMS1002

for fuel pump (for low pressure side) (brushless type motor) 

GTY1173481Courtesy of © TOYOTA, LICENSE AGREEMENT TMS1002
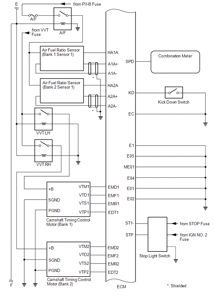
GTY513797Courtesy of © TOYOTA, LICENSE AGREEMENT TMS1002
GTY519799Courtesy of © TOYOTA, LICENSE AGREEMENT TMS1002
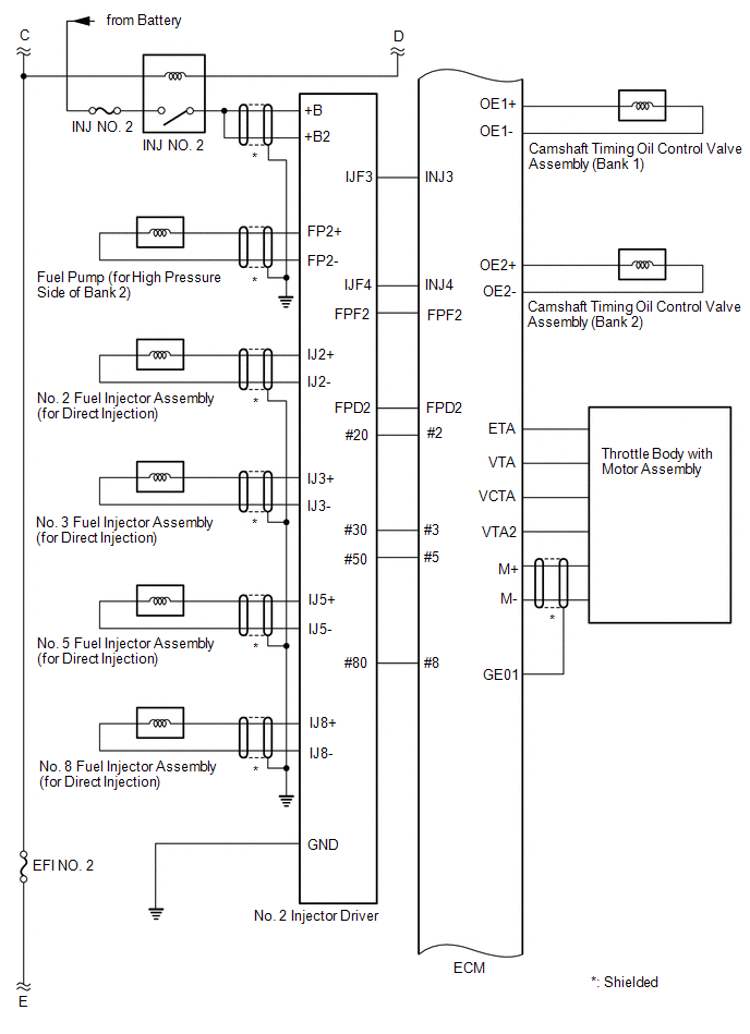
GTY947524Courtesy of © TOYOTA, LICENSE AGREEMENT TMS1002
GTY959207Courtesy of © TOYOTA, LICENSE AGREEMENT TMS1002
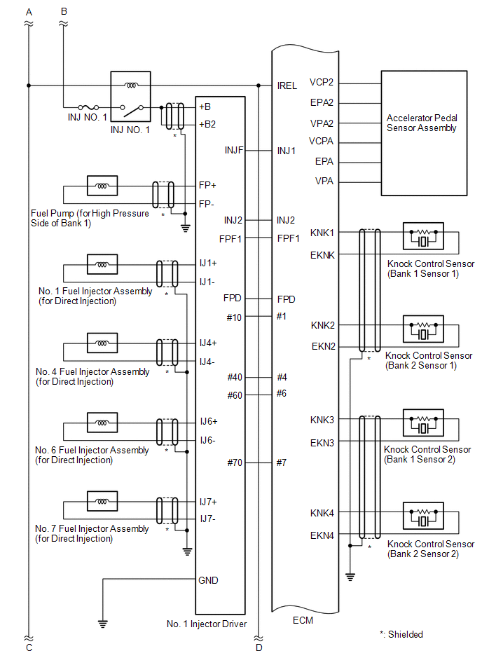
GTY515740Courtesy of © TOYOTA, LICENSE AGREEMENT TMS1002
GTY509922Courtesy of © TOYOTA, LICENSE AGREEMENT TMS1002