LEMON Manuals: Even more car manuals for everyone
Home >> Lexus >> 2019 >> RC F >> Repair and Diagnosis (Single Page) >> Accessories & Equipment >> Drivers Assistance Systems - ADAS >> Lane Departure Alert System (W/ Steering Control) - Diagnostics - Introduction >> LANE DEPARTURE ALERT SYSTEM (w/ Steering Control) >> System Diagram [11/2017 - 01/2023] >> System Diagram [11/2017 - 01/2023]

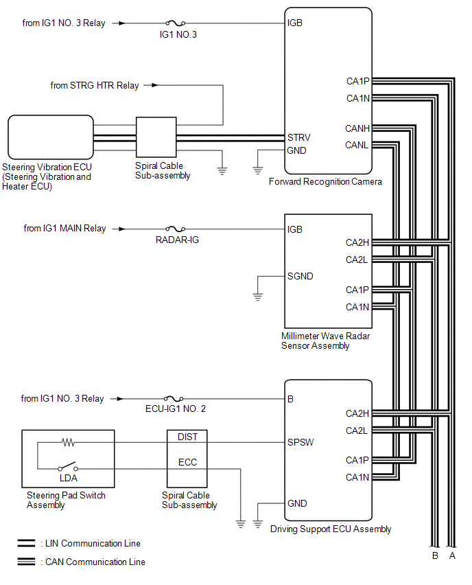
System Diagram [11/2017 - 01/2023]

GTY787570Courtesy of © TOYOTA, LICENSE AGREEMENT TMS1002
GTY681157Courtesy of © TOYOTA, LICENSE AGREEMENT TMS1002
GTY616314Courtesy of © TOYOTA, LICENSE AGREEMENT TMS1002