LEMON Manuals: Even more car manuals for everyone
Home >> Lexus >> 2019 >> RC 350 Base, AWD >> Repair and Diagnosis >> Accessories & Equipment >> Wiper/Washer Systems >> Wiper System / Washer System - Diagnostics - Introduction >> Wiper And Washer System >> System Diagram [10/2018 - ] >> System Diagram [10/2018 - ]

System Diagram [10/2018 - ]

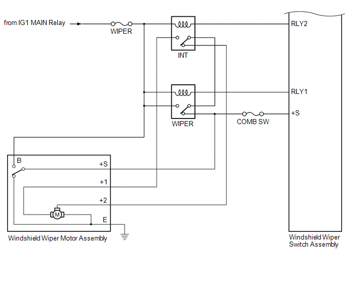
  1. WIPER SYSTEM 
    GTY787032Courtesy of © TOYOTA, LICENSE AGREEMENT TMS1002
    GTY780326Courtesy of © TOYOTA, LICENSE AGREEMENT TMS1002
  2. WASHER SYSTEM AND HEADLIGHT CLEANER SYSTEM (w/ Headlight Cleaner System) 
    GTY805136Courtesy of © TOYOTA, LICENSE AGREEMENT TMS1002
  3. WASHER FLUID LEVEL WARNING SYSTEM 
    GTY777326Courtesy of © TOYOTA, LICENSE AGREEMENT TMS1002