LEMON Manuals: Even more car manuals for everyone
Home >> Lexus >> 2019 >> LC 500 >> Repair and Diagnosis (Single Page) >> Restraints >> Air Bag, SRS >> Pedestrian Protection System - Diagnostic Codes (Coupe) (1 Of 2) >> Pedestrian Protection System >> DTC B16A2: Lost Communication with Pedestrian Protection Sensor Bus RH; DTC B16A3: Pedestrian Protection Sensor Bus Initialization Incomplete (RH) [03/2017 - 04/2020] >> Procedure

DTC B16A2: Lost Communication with Pedestrian Protection Sensor Bus RH; DTC B16A3: Pedestrian Protection Sensor Bus Initialization Incomplete (RH) [03/2017 - 04/2020]: Procedure

  1. CHECK CONNECTION OF CONNECTORS 
    1. Turn the engine switch off.
    2. Disconnect the cable from the negative (-) battery terminal, and wait for at least 90 seconds.
    3. Check that the connectors are properly connected to the pedestrian detection ECU assembly and pedestrian detection chamber assembly (pedestrian protection sensor RH).

      OK

      The connectors are properly connected.

      Result

      Proceed to
      OK
      NG

    Result: 

    NG 

    CONNECT CONNECTORS PROPERLY 

    Result: 

    OK 

    See step  2

  2. CHECK CONNECTORS 
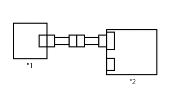
    1. Disconnect the connectors from the pedestrian detection ECU assembly and pedestrian detection chamber assembly (pedestrian protection sensor RH).
      GTY837966Courtesy of © TOYOTA, LICENSE AGREEMENT TMS1002
      *1 Pedestrian Detection Chamber Assembly (Pedestrian Protection Sensor RH)
      *2 Pedestrian Detection ECU Assembly
      *3 Engine Room Main Wire
      *4 Instrument Panel Wire
    2. Check that the connectors (on the pedestrian detection ECU assembly side and pedestrian detection sensor RH side) are not damaged.

      OK

      The connectors are not deformed or damaged.

      Result

      Proceed to
      OK
      NG

    Result: 

    NG 

    REPLACE ENGINE ROOM MAIN WIRE OR INSTRUMENT PANEL WIRE 

    Result: 

    OK 

    See step  3

  3. CHECK PEDESTRIAN PROTECTION SENSOR RH CIRCUIT 
    1. Connect the cable to the negative (-) battery terminal, and wait for at least 2 seconds.
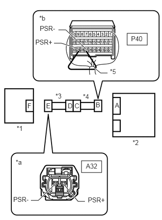
      GTY779397Courtesy of © TOYOTA, LICENSE AGREEMENT TMS1002
      *1 Pedestrian Detection Chamber Assembly (Pedestrian Protection Sensor RH)
      *2 Pedestrian Detection ECU Assembly
      *3 Engine Room Main Wire
      *4 Instrument Panel Wire
      *5 Service Wire
      *a Front view of wire harness connector
      (to Pedestrian Detection Chamber Assembly [Pedestrian Protection Sensor RH])
      *b Rear view of wire harness connector
      (to Pedestrian Detection ECU Assembly)
    2. Turn the engine switch on (IG).
    3. Measure the voltage according to the value(s) in the table below.

      Standard Voltage

      Tester Connection Switch Condition Specified Condition
      A32-2 (PSR+) - Body ground Engine switch on (IG) Below 1 V
      A32-1 (PSR-) - Body ground Engine switch on (IG) Below 1 V
    4. Turn the engine switch off.
    5. Disconnect the cable from the negative (-) battery terminal, and wait for at least 90 seconds.
    6. Using a service wire, connect terminals 29 (PSR+) and 27 (PSR-) of connector B.
      NOTE:

      Do not forcibly insert the service wire into the terminals of the connector when connecting a service wire.

    7. Measure the resistance according to the value(s) in the table below.

      Standard Resistance

      Tester Connection Condition Specified Condition
      A32-2 (PSR+) - A32-1 (PSR-) Always Below 1 Ω
    8. Disconnect the service wire from connector B.
    9. Measure the resistance according to the value(s) in the table below.

      Standard Resistance

      Tester Connection Condition Specified Condition
      A32-2 (PSR+) - A32-1 (PSR-) Always 1 MΩ or higher
      A32-2 (PSR+) - Body ground Always 1 MΩ or higher
      A32-1 (PSR-) - Body ground Always 1 MΩ or higher

      Result

      Proceed to
      OK
      NG

    Result: 

    NG 

    See step  5

    Result: 

    OK 

    See step  4

  4. CHECK PEDESTRIAN DETECTION CHAMBER ASSEMBLY (PEDESTRIAN PROTECTION SENSOR) 
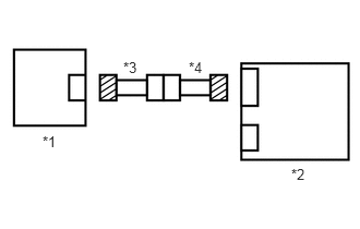
    1. Connect the connectors to the pedestrian detection ECU assembly.
      GTY785336Courtesy of © TOYOTA, LICENSE AGREEMENT TMS1002
      *1 Pedestrian Detection Chamber Assembly (Pedestrian Protection Sensor RH)
      *2 Pedestrian Detection ECU Assembly
    2. Replace the pedestrian detection chamber assembly with a new one.

      Refer to REMOVAL [03/2017 - 05/2023]

    3. Connect the cable to the negative (-) battery terminal, and wait for at least 2 seconds.
    4. Turn the engine switch on (IG), and wait for at least 60 seconds.
    5. Clear the DTCs stored in memory.

      Refer to DTC CHECK / CLEAR [03/2017 - 04/2020]

      Body Electrical > Pedestrian Protection > Clear DTCs 

    6. Turn the engine switch off.
    7. Turn the engine switch on (IG), and wait for at least 60 seconds.
    8. Check for DTCs.

      Refer to DTC CHECK / CLEAR [03/2017 - 04/2020]

      Body Electrical > Pedestrian Protection > Trouble Codes 

      Result

      Result Proceed to
      DTCs B16A2 and B16A3 are not output A
      DTC B16A2 or B16A3 is output B

      HINT: 

      Codes other than B16A2 and B16A3 may be output at this time, but they are not related to this check.

    9. Turn the engine switch off.
    10. Disconnect the cable from the negative (-) battery terminal, and wait for at least 90 seconds.

    Result: 

    END (PEDESTRIAN DETECTION CHAMBER ASSEMBLY [PEDESTRIAN PROTECTION SENSOR RH] WAS DEFECTIVE) 

    Result: 

    REPLACE PEDESTRIAN DETECTION ECU ASSEMBLY. Refer to  REMOVAL [03/2017 - 04/2020] 

  5. CHECK INSTRUMENT PANEL WIRE 
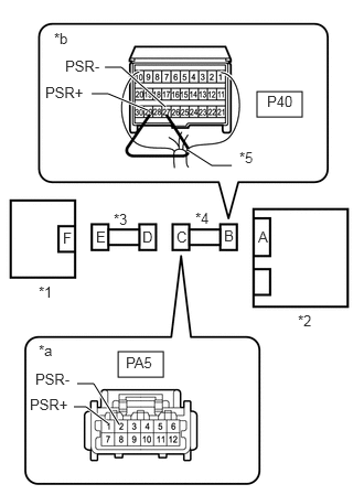
    1. Disconnect the instrument panel wire connector from the engine room main wire.
      GTY796480Courtesy of © TOYOTA, LICENSE AGREEMENT TMS1002
      *1 Pedestrian Detection Chamber Assembly (Pedestrian Protection Sensor RH)
      *2 Pedestrian Detection ECU Assembly
      *3 Engine Room Main Wire
      *4 Instrument Panel Wire
      *5 Service Wire
      *a Front view of wire harness connector
      (to Engine Room Main Wire)
      *b Rear view of wire harness connector
      (to Pedestrian Detection ECU Assembly)
    2. Connect the cable to the negative (-) battery terminal, and wait for at least 2 seconds.
    3. Turn the engine switch on (IG).
    4. Measure the voltage according to the value(s) in the table below.

      Standard Voltage

      Tester Connection Switch Condition Specified Condition
      PA5-1 (PSR+) - Body ground Engine switch on (IG) Below 1 V
      PA5-2 (PSR-) - Body ground Engine switch on (IG) Below 1 V
    5. Turn the engine switch off.
    6. Disconnect the cable from the negative (-) battery terminal, and wait for at least 90 seconds.
    7. Using a service wire, connect terminals 29 (PSR+) and 27 (PSR-) of connector B.
      NOTE:

      Do not forcibly insert the service wire into the terminals of the connector when connecting a service wire.

    8. Measure the resistance according to the value(s) in the table below.

      Standard Resistance

      Tester Connection Condition Specified Condition
      PA5-1 (PSR+) - PA5-2 (PSR-) Always Below 1 Ω
    9. Disconnect the service wire from connector B.
    10. Measure the resistance according to the value(s) in the table below.

      Standard Resistance

      Tester Connection Condition Specified Condition
      PA5-1 (PSR+) - PA5-2 (PSR-) Always 1 MΩ or higher
      PA5-1 (PSR+) - Body ground Always 1 MΩ or higher
      PA5-2 (PSR-) - Body ground Always 1 MΩ or higher

      Result

      Proceed to
      OK
      NG

    Result: 

    OK 

    REPLACE ENGINE ROOM MAIN WIRE 

    Result: 

    NG 

    REPLACE INSTRUMENT PANEL WIRE