LEMON Manuals: Even more car manuals for everyone
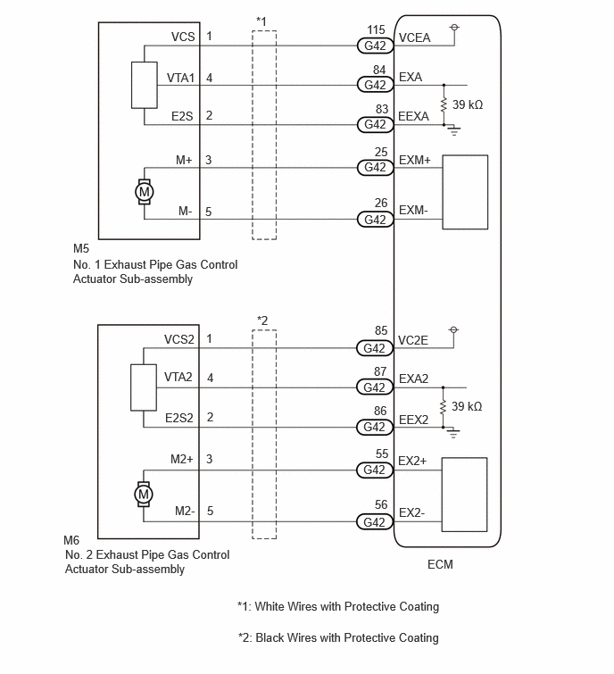
Home >> Lexus >> 2019 >> LC 500 >> Repair and Diagnosis (Single Page) >> Engine Performance >> System >> Engine Control System - Diagnostic Codes (Coupe) (6 Of 7) >> SFI System >> DTC P26C6: Exhaust Flow Control Valve "A" Control Circuit Low; DTC P26C7: Exhaust Flow Control Valve "A" Control Circuit High; DTC P2BF9: Exhaust Flow Control Valve "B" Control Circuit Low; DTC P2BFA: Exhaust Flow Control Valve "B" Control Circuit High [05/2023 - ] >> Wiring Diagram

DTC P26C6: Exhaust Flow Control Valve "A" Control Circuit Low; DTC P26C7: Exhaust Flow Control Valve "A" Control Circuit High; DTC P2BF9: Exhaust Flow Control Valve "B" Control Circuit Low; DTC P2BFA: Exhaust Flow Control Valve "B" Control Circuit High [05/2023 - ]: Wiring Diagram

GTY1241474Courtesy of © TOYOTA, LICENSE AGREEMENT TMS1002