LEMON Manuals: Even more car manuals for everyone
Home >> Lexus >> 2019 >> LC 500 >> Repair and Diagnosis (Single Page) >> Engine Performance >> System >> Engine Control System - Diagnostic Codes (Coupe) (1 Of 7) >> SFI System >> DTC P00AC: Intake Air Temperature Sensor 1 Circuit Low Bank 2; DTC P00AD: Intake Air Temperature Sensor 1 Circuit High Bank 2; DTC P0112: Intake Air Temperature Circuit Low Input; DTC P0113: Intake Air Temperature Circuit High Input [03/2017 - ] >> Procedure

DTC P00AC: Intake Air Temperature Sensor 1 Circuit Low Bank 2; DTC P00AD: Intake Air Temperature Sensor 1 Circuit High Bank 2; DTC P0112: Intake Air Temperature Circuit Low Input; DTC P0113: Intake Air Temperature Circuit High Input [03/2017 - ]: Procedure

  1. READ VALUE USING TECHSTREAM (INTAKE AIR TEMP) 
    1. Connect the Techstream to the DLC3.
    2. Turn the engine switch on (IG).
    3. Turn the Techstream on.
    4. Enter the following menus: Powertrain / Engine / Data List / All Data / Intake Air Temp B1S1 or Intake Air Temp B2S1.

      Powertrain > Engine > Data List 

      Tester Display
      Intake Air Temp B1S1
      Intake Air Temp B2S1
    5. Read the value displayed on the Techstream.

      OK

      Same as actual intake air temperature.

      Result

      Result Proceed to
      -40°C (-40°F) A
      Higher than 128°C (262°F) B
      Same as actual intake air temperature C

      HINT: 

      • If there is an open circuit, the Techstream indicates -40°C (-40°F).
      • If there is a short circuit, the Techstream indicates higher than 128°C (262°F).

    Result: 

    See step  4

    Result: 

    CHECK FOR INTERMITTENT PROBLEMS. Refer to  CHECK FOR INTERMITTENT PROBLEMS [03/2017 - ] 

    Result: 

    See step  2

  2. READ VALUE USING TECHSTREAM (CHECK FOR OPEN IN WIRE HARNESS) 
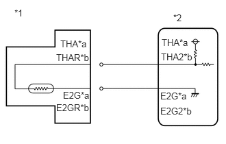
    1. Disconnect the mass air flow meter sub-assembly connector.
      GTY832566Courtesy of © TOYOTA, LICENSE AGREEMENT TMS1002
      *1 mass air flow meter sub-assembly
      *2 ECM
      *a Front view of wire harness connector
      (to mass air flow meter sub-assembly)
      *b Bank 1
      *c Bank 2
    2. Connect terminals 4 (THA) and 2 (E2G) or 4 (THAR) and 2 (E2GR) of the mass air flow meter sub-assembly connector on the wire harness side.
    3. Connect the Techstream to the DLC3.
    4. Turn the engine switch on (IG).
    5. Turn the Techstream on.
    6. Enter the following menus: Powertrain / Engine / Data List / All Data / Intake Air Temp B1S1 or Intake Air Temp B2S1.

      Powertrain > Engine > Data List 

      Tester Display
      Intake Air Temp B1S1
      Intake Air Temp B2S1
    7. Read the value displayed on the Techstream.

      Standard Value

      Higher than 128°C (262°F)

      HINT: 

      Perform "Inspection After Repair" after replacing the mass air flow meter sub-assembly.

      Refer to INITIALIZATION [03/2017 - ]

      Result

      Proceed to
      OK
      NG

    Result: 

    OK 

    REPLACE MASS AIR FLOW METER SUB-ASSEMBLY. Refer to  REMOVAL [03/2017 - ] 

    Result: 

    NG 

    See step  3

  3. CHECK HARNESS AND CONNECTOR (MASS AIR FLOW METER SUB-ASSEMBLY - ECM) 
    1. Disconnect the mass air flow meter sub-assembly connector.
    2. Disconnect the ECM connectors.
    3. Measure the resistance according to the value(s) in the table below.

      Standard Resistance

      Tester Connection Condition Specified Condition
      A61-4 (THA) - A58-40 (THA) Always Below 1 Ω
      A61-2 (E2G) - A58-38 (E2G) Always Below 1 Ω
      A60-4 (THAR) - A58-42 (THA2) Always Below 1 Ω
      A60-2 (E2GR) - A58-41 (E2G2) Always Below 1 Ω

      Result

      Proceed to
      OK
      NG

    Result: 

    OK 

    REPLACE ECM. Refer to  REMOVAL [03/2017 - 05/2023]  , or refer to  REMOVAL [05/2023 - ] 

    Result: 

    NG 

    REPAIR OR REPLACE HARNESS OR CONNECTOR 

  4. READ VALUE USING TECHSTREAM (CHECK FOR SHORT IN WIRE HARNESS) 
    GTY805363Courtesy of © TOYOTA, LICENSE AGREEMENT TMS1002
    *1 mass air flow meter sub-assembly
    *2 ECM
    *a Bank 1
    *b Bank 2
    1. Disconnect the mass air flow meter sub-assembly connector.
    2. Connect the Techstream to the DLC3.
    3. Turn the engine switch on (IG).
    4. Turn the Techstream on.
    5. Enter the following menus: Powertrain / Engine / Data List / All Data / Intake Air Temp B1S1 or Intake Air Temp B2S1.

      Powertrain > Engine > Data List 

      Tester Display
      Intake Air Temp B1S1
      Intake Air Temp B2S1
    6. Read the value displayed on the Techstream.

      Standard Value

      -40°C (-40°F)

      HINT: 

      Perform "Inspection After Repair" after replacing the mass air flow meter sub-assembly.

      Refer to INITIALIZATION [03/2017 - ]

      Result

      Proceed to
      OK
      NG

    Result: 

    OK 

    REPLACE MASS AIR FLOW METER SUB-ASSEMBLY. Refer to  REMOVAL [03/2017 - ] 

    Result: 

    NG 

    See step  5

  5. CHECK HARNESS AND CONNECTOR (MASS AIR FLOW METER SUB-ASSEMBLY - ECM) 
    1. Disconnect the mass air flow meter sub-assembly connector.
    2. Disconnect the ECM connector.
    3. Measure the resistance according to the value(s) in the table below.

      Standard Resistance

      Tester Connection Condition Specified Condition
      A61-4 (THA) or A58-40 (THA) - Body ground and other terminals Always 10 kΩ or higher
      A60-4 (THAR) or A58-42 (THA2) - Body ground and other terminals Always 10 kΩ or higher

      Result

      Proceed to
      OK
      NG

    Result: 

    OK 

    REPLACE ECM. Refer to  REMOVAL [03/2017 - 05/2023]  , or refer to  REMOVAL [05/2023 - ] 

    Result: 

    NG 

    REPAIR OR REPLACE HARNESS OR CONNECTOR