LEMON Manuals: Even more car manuals for everyone
Home >> Lexus >> 2019 >> GS F >> Repair and Diagnosis (Single Page) >> Electrical >> Fuses & Circuit Breakers >> OEM Junction Block, Ecu & Fuse/Relay Locations >> Relay Block Identification >> Engine Room Relay Block No. 2 Front Fender Apron LH >> Engine Room Relay Block Assembly and Engine Room Junction Block Assembly No. 2 Inner Circuit

Engine Room Relay Block Assembly and Engine Room Junction Block Assembly No. 2 Inner Circuit

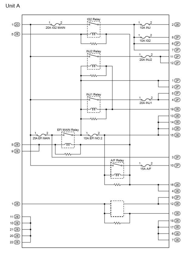
Fig 1: Engine Room R/B And J/B Assembly No. 2 Inner Circuit Diagram (1 Of 5)
G00583549Courtesy of © TOYOTA, LICENSE AGREEMENT TMS1002
ENGINE ROOM R/B AND J/B NO. 2 INNER CIRCUIT RELAY IDENTIFICATION

RELAY DESCRIPTION
EFI MAIN Relay
IG2 Relay
INJ2 Relay
INJ1 Relay
A/F Relay
Fig 2: Engine Room R/B And J/B Assembly No. 2 Inner Circuit Diagram (2 Of 5)
G00583550Courtesy of © TOYOTA, LICENSE AGREEMENT TMS1002
Fig 3: Engine Room R/B And J/B Assembly No. 2 Inner Circuit Diagram (3 Of 5)
G00583551Courtesy of © TOYOTA, LICENSE AGREEMENT TMS1002
Fig 4: Engine Room R/B And J/B Assembly No. 2 Inner Circuit Diagram (4 Of 5)
G00583552Courtesy of © TOYOTA, LICENSE AGREEMENT TMS1002
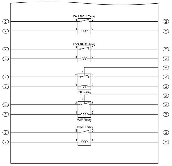
ENGINE ROOM R/B AND J/B NO. 2 INNER CIRCUIT RELAY IDENTIFICATION

RELAY DESCRIPTION
FAN NO. 1 Relay
FAN NO. 2 Relay
INT Relay
WIP Relay
HORN Relay
Fig 5: Engine Room R/B And J/B Assembly No. 2 Inner Circuit Diagram (5 Of 5)
G00583553Courtesy of © TOYOTA, LICENSE AGREEMENT TMS1002
ENGINE ROOM R/B AND J/B NO. 2 INNER CIRCUIT RELAY IDENTIFICATION

RELAY DESCRIPTION
LH LAMP Relay
RH LAMP Relay