LEMON Manuals: Even more car manuals for everyone
Home >> Lexus >> 2019 >> ES 350 Base >> Repair and Diagnosis (Single Page) >> Electrical >> Fuses & Circuit Breakers >> OEM Junction Block, Ecu & Fuse/Relay Locations >> Relay Block Identification >> Engine Room Relay Block Assembly And Engine Room Junction Block Assembly No. 1 (2GR-FKS) - Front Fender Apron LH >> Engine Room Relay Block Assembly and Engine Room Junction Block No. 1 (2GR-FKS) Assembly Inner Circuit

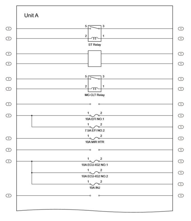
Engine Room Relay Block Assembly and Engine Room Junction Block No. 1 (2GR-FKS) Assembly Inner Circuit

Fig 1: Engine Room R/B And J/B Assembly No. 1 (2GR-FKS) Circuit Diagram (1 Of 5)
G00586086Courtesy of © TOYOTA, LICENSE AGREEMENT TMS1002
ENGINE ROOM R/B AND J/B No. 1 (2GR-FKS) INNER CIRCUIT RELAY IDENTIFICATION

RELAY DESCRIPTION
ST Relay
MG CLT Relay
Fig 2: Engine Room R/B And J/B Assembly No. 1 (2GR-FKS) Circuit Diagram (2 Of 5)
G00586087Courtesy of © TOYOTA, LICENSE AGREEMENT TMS1002
Fig 3: Engine Room R/B And J/B Assembly No. 1 (2GR-FKS) Circuit Diagram (3 Of 5)
G00586088Courtesy of © TOYOTA, LICENSE AGREEMENT TMS1002
Fig 4: Engine Room R/B And J/B Assembly No. 1 (2GR-FKS) Circuit Diagram (4 Of 5)
G00586089Courtesy of © TOYOTA, LICENSE AGREEMENT TMS1002
ENGINE ROOM R/B AND J/B No. 1 (2GR-FKS) INNER CIRCUIT RELAY IDENTIFICATION

RELAY DESCRIPTION
STRG HTR Relay
AVS Relay
WIPER Relay
WSH NZL HTR Relay
EFI-MAIN NO. 2 Relay
Fig 5: Engine Room R/B And J/B Assembly No. 1 (2GR-FKS) Circuit Diagram (5 Of 5)
G00586090Courtesy of © TOYOTA, LICENSE AGREEMENT TMS1002
ENGINE ROOM R/B AND J/B No. 1 (2GR-FKS) INNER CIRCUIT RELAY IDENTIFICATION

RELAY DESCRIPTION
D INJ Relay
VVT Relay
HORN Relay
EFI-MAIN NO. 1 Relay
WASHER Relay
IG2 NO. 1 Relay
A/F HTR Relay
H-LP CLN Relay
DEF Relay