LEMON Manuals: Even more car manuals for everyone
Home >> Lexus >> 2019 >> ES 350 Base >> Repair and Diagnosis (Single Page) >> Electrical >> Fuses & Circuit Breakers >> OEM Junction Block, Ecu & Fuse/Relay Locations >> Junction Block Fuse, Relay & Circuit Identification >> Instrument Panel Junction Block Assembly - Instrument Panel Reinforcement >> Instrument Panel Junction Block Assembly (A25A-FXS) Inner Circuit

Instrument Panel Junction Block Assembly (A25A-FXS) Inner Circuit

Fig 1: Instrument Panel J/B Assembly (A25A-FXS) Circuit Diagram With Relays (1 Of 4)
G00586116Courtesy of © TOYOTA, LICENSE AGREEMENT TMS1002
INSTRUMENT PANEL J/B INNER CIRCUIT (A25A-FXS) RELAY IDENTIFICATION

RELAY DESCRIPTION
IG2-NO. 2 Relay
ALL DR LOCK Relay
D-DR UNLOCK Relay
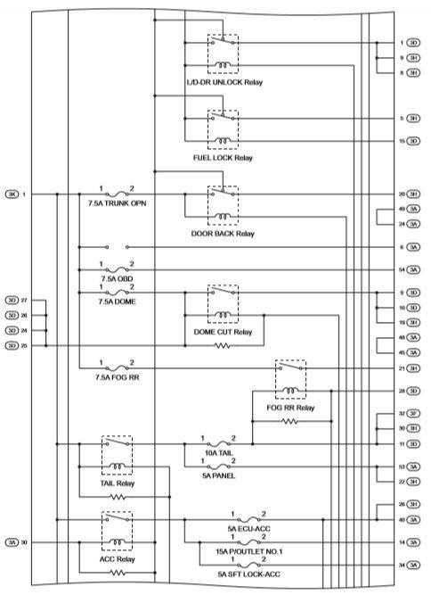
Fig 2: Instrument Panel J/B Assembly Circuit (A25A-FXS) Diagram With Relays (2 Of 4)
G00586117Courtesy of © TOYOTA, LICENSE AGREEMENT TMS1002
INSTRUMENT PANEL J/B INNER CIRCUIT (A25A-FXS) RELAY IDENTIFICATION

RELAY DESCRIPTION
L/D-DR UNLOCK Relay
FUEL LOCK Relay
DOOR BACK Relay
DOME CUT Relay
FOG RR Relay
TAIL Relay
ACC Relay
Fig 3: Instrument Panel J/B Assembly Circuit (A25A-FXS) Diagram With Relays (3 Of 4)
G00586118Courtesy of © TOYOTA, LICENSE AGREEMENT TMS1002
INSTRUMENT PANEL J/B INNER CIRCUIT (A25A-FXS) RELAY IDENTIFICATION

RELAY DESCRIPTION
IG1-NO. 1 Relay
IG1-NO. 2 Relay
BKUP LP Relay
Fig 4: Instrument Panel J/B Assembly Circuit (A25A-FXS) Diagram With Relays (4 Of 4)
G00586119Courtesy of © TOYOTA, LICENSE AGREEMENT TMS1002
INSTRUMENT PANEL J/B INNER CIRCUIT (A25A-FXS) RELAY IDENTIFICATION

RELAY DESCRIPTION
FUEL OPN Relay
P/OUTLET NO. 2 Relay