LEMON Manuals: Even more car manuals for everyone
Home >> Lexus >> 2019 >> ES 300h Base >> Repair and Diagnosis (Single Page) >> Engine Performance >> System >> Engine Control System (A25A-FXS) - Diagnostics - Introduction (1 Of 6) >> SFI System >> System Diagram [10/2019 - 08/2021] >> System Diagram [10/2019 - 08/2021]

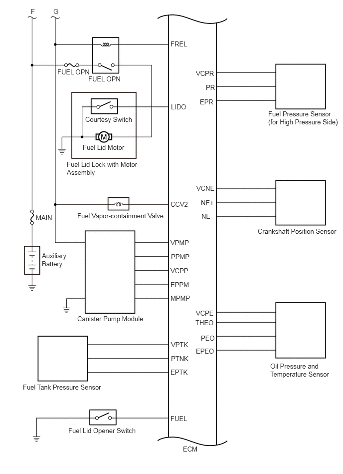
System Diagram [10/2019 - 08/2021]

GTY801364Courtesy of © TOYOTA, LICENSE AGREEMENT TMS1002
GTY947867Courtesy of © TOYOTA, LICENSE AGREEMENT TMS1002
GTY836737Courtesy of © TOYOTA, LICENSE AGREEMENT TMS1002
GTY947545Courtesy of © TOYOTA, LICENSE AGREEMENT TMS1002
GTY948130Courtesy of © TOYOTA, LICENSE AGREEMENT TMS1002