LEMON Manuals: Even more car manuals for everyone
Home >> Lexus >> 2018 >> RC F >> Repair and Diagnosis (Single Page) >> Accessories & Equipment >> Infotainment >> Navigation System - Diagnostics - Introduction (1 Of 4) >> Navigation System >> System Diagram [11/2017 - 03/2019] >> System Diagram [11/2017 - 03/2019]

System Diagram [11/2017 - 03/2019]

Fig 1: Navigation System Diagram (1 Of 10)
GTY838144Courtesy of © TOYOTA, LICENSE AGREEMENT TMS1002
Fig 2: Navigation System Diagram (2 Of 10)
GTY818310Courtesy of © TOYOTA, LICENSE AGREEMENT TMS1002
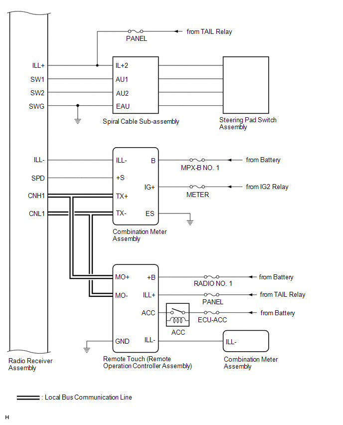
Fig 3: Navigation System Diagram (3 Of 10)
GTY823971Courtesy of © TOYOTA, LICENSE AGREEMENT TMS1002
Fig 4: Navigation System Diagram (4 Of 10)
GTY830032Courtesy of © TOYOTA, LICENSE AGREEMENT TMS1002

w/ Manual (SOS) Switch 

Fig 5: Navigation System Diagram (5 Of 10)
GTY814349Courtesy of © TOYOTA, LICENSE AGREEMENT TMS1002
Fig 6: Navigation System Diagram (6 Of 10)
GTY810221Courtesy of © TOYOTA, LICENSE AGREEMENT TMS1002

w/o Manual (SOS) Switch 

Fig 7: Navigation System Diagram (7 Of 10)
GTY803420Courtesy of © TOYOTA, LICENSE AGREEMENT TMS1002

for 10 Speakers 

Fig 8: Navigation System Diagram (8 Of 10)
GTY826308Courtesy of © TOYOTA, LICENSE AGREEMENT TMS1002

for 17 Speakers 

Fig 9: Navigation System Diagram (9 Of 10)
GTY829430Courtesy of © TOYOTA, LICENSE AGREEMENT TMS1002
Fig 10: Navigation System Diagram (10 Of 10)
GTY815770Courtesy of © TOYOTA, LICENSE AGREEMENT TMS1002