LEMON Manuals: Even more car manuals for everyone
Home >> Lexus >> 2018 >> GS F >> Repair and Diagnosis (Single Page) >> Accessories & Equipment >> Anti-Theft Systems >> Smart Access System (Keyless Entry) (Diagnostics) (Introduction) >> SMART ACCESS SYSTEM WITH PUSH-BUTTON START (For Entry Function) >> System Diagram [10/2015 - ] >> System Diagram [10/2015 - ]

System Diagram [10/2015 - ]

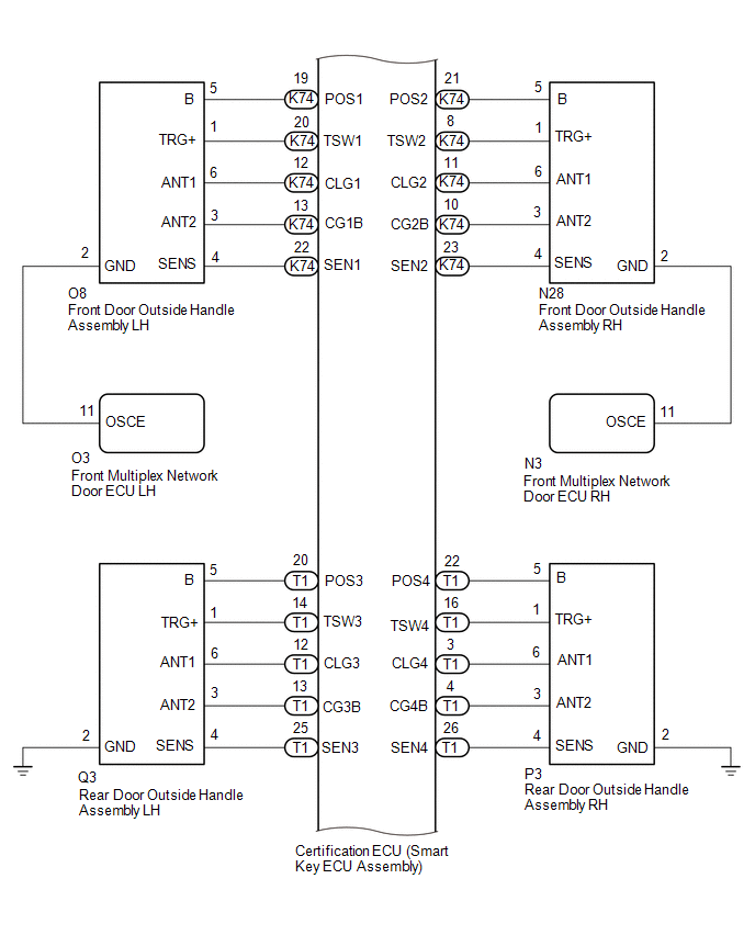
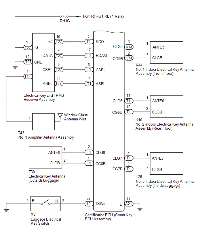
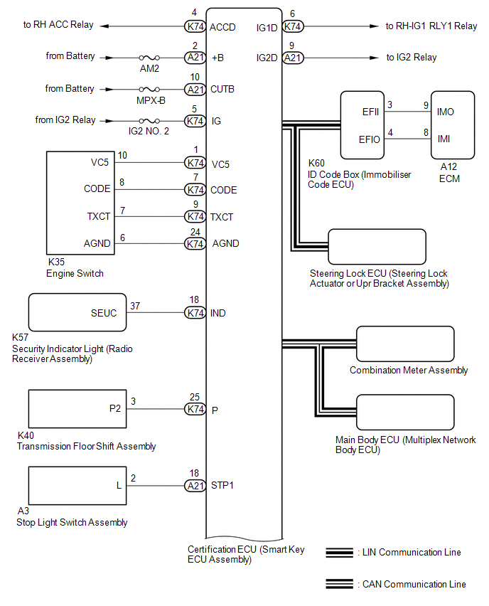
SMART ENTRY AND START SYSTEM (For Entry Function) 
Smart Entry And Start System Circuit Diagram
GTY636548Courtesy of © TOYOTA, LICENSE AGREEMENT TMS1002
GTY638352Courtesy of © TOYOTA, LICENSE AGREEMENT TMS1002
GTY629043Courtesy of © TOYOTA, LICENSE AGREEMENT TMS1002
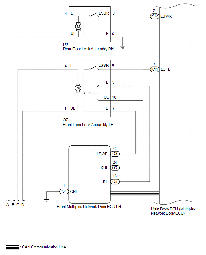
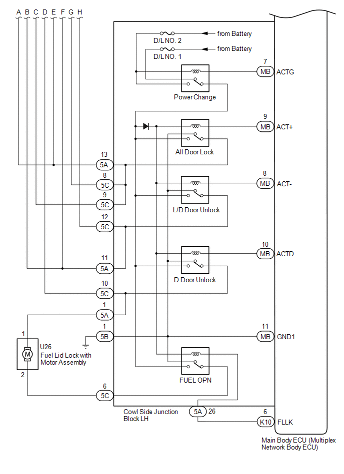
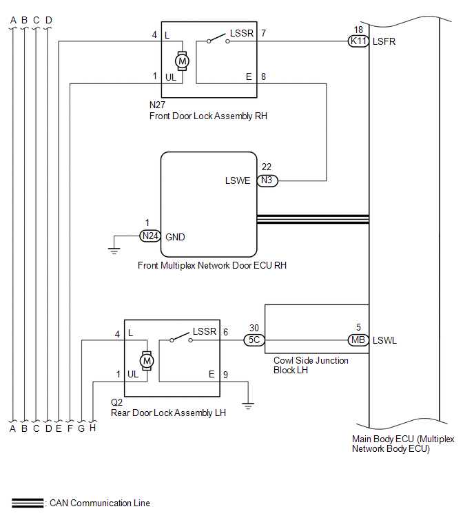
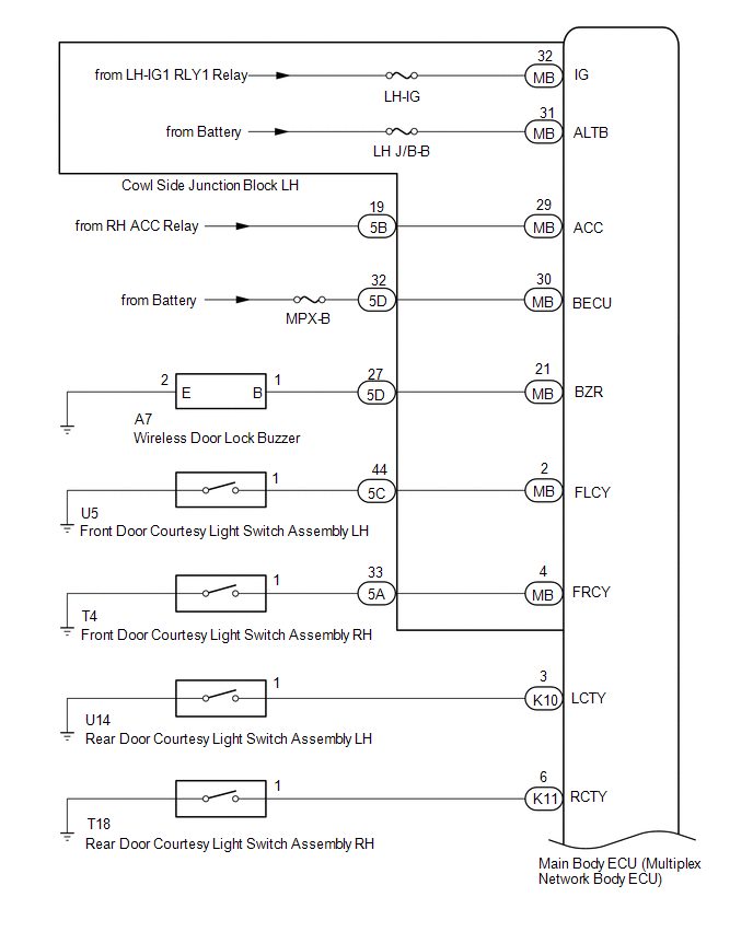
Wireless Door Lock Control System 
Door Lock Control System Circuit Diagram
GTY630132Courtesy of © TOYOTA, LICENSE AGREEMENT TMS1002
GTY677719Courtesy of © TOYOTA, LICENSE AGREEMENT TMS1002
GTY677716Courtesy of © TOYOTA, LICENSE AGREEMENT TMS1002
GTY681792Courtesy of © TOYOTA, LICENSE AGREEMENT TMS1002
GTY652405Courtesy of © TOYOTA, LICENSE AGREEMENT TMS1002
GTY670523Courtesy of © TOYOTA, LICENSE AGREEMENT TMS1002
COMMUNICATION TABLE

Sender Receiver Signal Line
Certification ECU (smart key ECU assembly) Main body ECU (multiplex network body ECU)
  • Wireless door lock/unlock signal
  • Wireless door lock buzzer sound request signal
CAN
Main body ECU (multiplex network body ECU) Combination meter assembly Wireless door lock hazard warning light request signal CAN
Front multiplex network door ECU LH Main body ECU (multiplex network body ECU) Door lock position signal CAN
Front multiplex network door ECU RH Main body ECU (multiplex network body ECU) Door lock position signal CAN
Luggage closer motor assembly*1 Main body ECU (multiplex Network Body ECU) Door lock position signal CAN
Multiplex network door ECU*2 Main body ECU (multiplex Network Body ECU) Door lock position signal CAN
  • *1: w/ Power Trunk Lid System
  • *2: w/o Power Trunk Lid System