LEMON Manuals: Even more car manuals for everyone
Home >> Lexus >> 2017 >> RX 450h Base >> Repair and Diagnosis >> Body & Frame >> Door Locks >> Smart Access System (For Entry Function) (Diagnostics - Introduction) >> SMART ACCESS SYSTEM WITH PUSH-BUTTON START (for Entry Function) >> System Diagram [03/2018 - 08/2019] >> System Diagram [03/2018 - 08/2019]

System Diagram [03/2018 - 08/2019]

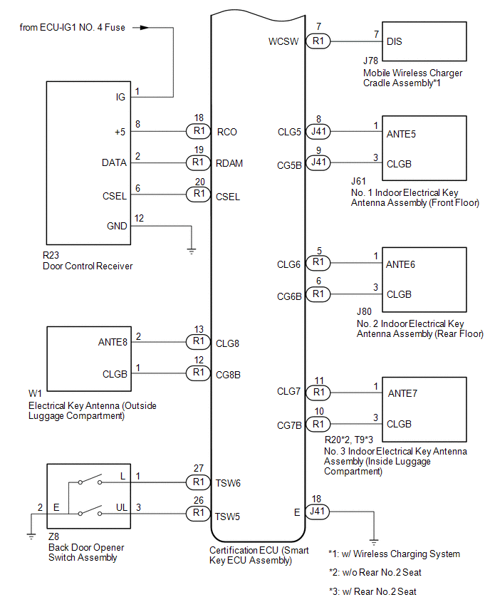
  1. This is a detailed diagram related to the certification ECU (smart key ECU assembly).
    Fig 1: Smart Access System With Push-Button Start (For Entry Function) System Diagram (1 Of 6) [03/2018 - 08/2019]
    GTY647582Courtesy of © TOYOTA, LICENSE AGREEMENT TMS1002
    Fig 2: Smart Access System With Push-Button Start (For Entry Function) System Diagram (2 Of 6) [03/2018 - 08/2019]
    GTY625246Courtesy of © TOYOTA, LICENSE AGREEMENT TMS1002
    Fig 3: Smart Access System With Push-Button Start (For Entry Function) System Wiring Diagram (3 Of 6) [03/2018 - 08/2019]
    GTY828227Courtesy of © TOYOTA, LICENSE AGREEMENT TMS1002
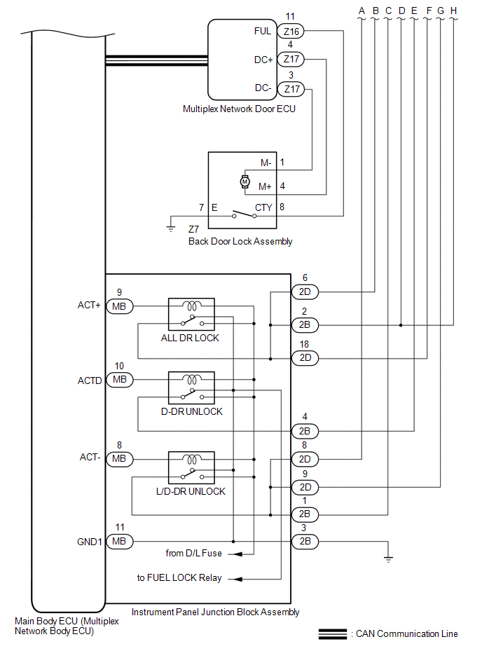
  1. This is a detailed diagram related to the main body ECU (multiplex network body ECU).
    Fig 4: Smart Access System With Push-Button Start (For Entry Function) System Wiring Diagram (4 Of 6) [03/2018 - 08/2019]
    GTY650492Courtesy of © TOYOTA, LICENSE AGREEMENT TMS1002
    Fig 5: Smart Access System With Push-Button Start (For Entry Function) System Diagram (5 Of 6) [03/2018 - 08/2019]
    GTY675916Courtesy of © TOYOTA, LICENSE AGREEMENT TMS1002
    Fig 6: Smart Access System With Push-Button Start (For Entry Function) System Diagram (6 Of 6) [03/2018 - 08/2019]
    GTY780820Courtesy of © TOYOTA, LICENSE AGREEMENT TMS1002
Component Function
Front door outside handle assembly Receives request signals from the certification ECU (smart key ECU assembly) via the built-in electrical key antenna (front door) and forms the vehicle exterior detection area.
Uses the built-in touch sensor (lock sensor/unlock sensor) to detect the operation of the front door outside handle assembly and sends signals to the certification ECU (smart key ECU assembly).
Rear door outside handle assembly Receives request signals from the certification ECU (smart key ECU assembly) via the built-in electrical key antenna (rear door) and forms the vehicle exterior detection area.
Uses the built-in touch sensor (lock sensor/unlock sensor) to detect the operation of the rear door outside handle assembly and sends signals to the certification ECU (smart key ECU assembly).
No. 1 indoor electrical key antenna assembly (front floor)
No. 2 indoor electrical key antenna assembly (rear floor)
No. 3 indoor electrical key antenna assembly (inside luggage compartment)
Receives the request code from the certification ECU (smart key ECU assembly) and forms the vehicle interior detection area.
Electrical key antenna (outside luggage compartment) Receives the request code from the certification ECU (smart key ECU assembly) and forms the back door exterior detection area.
Back door opener switch assembly Sends switch operation signals to the certification ECU (smart key ECU assembly).
Door control receiver Receives the smart access system with push-button start code/wireless code sent from the electrical key transmitter sub-assembly and sends it to the certification ECU (smart key ECU assembly).
Wireless door lock buzzer Sounds when warning functions operate in accordance with certification ECU (smart key ECU assembly) control.
Electrical key transmitter sub-assembly Sends the ID code upon receiving a request signal.
Certification ECU (smart key ECU assembly) Sends request codes to each electrical key antenna.
Distinguishes and verifies the ID code from the electrical key transmitter sub-assembly and sends signals to each ECU in response to operated functions (controls entire system).
Performs encryption code communication with the ID code box (immobiliser code ECU) when ignition operations are performed.