LEMON Manuals: Even more car manuals for everyone
Home >> Lexus >> 2017 >> RC F >> Repair and Diagnosis >> External Pages >> Different car >> Section 15 (Lighting System (Ext) - Diagnostic Codes & Circuit Tests) >> Lighting System >> Headlight Dimmer Switch Circuit [11/2021 - ] >> Wiring Diagram

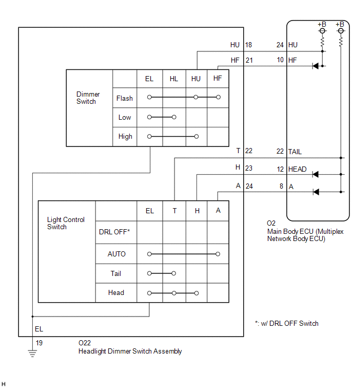
Headlight Dimmer Switch Circuit [11/2021 - ]: Wiring Diagram

WARNING: This page is about a different car, the 2024 Lexus RC F, 2023 Lexus RC F, 2022 Lexus RC F, 2021 Lexus RC F, and 2020 Lexus RC F. However, it is still accessible from the selected car via links, so may be relevant.
GTY1086885Courtesy of © TOYOTA, LICENSE AGREEMENT TMS1002