LEMON Manuals: Even more car manuals for everyone
Home >> Lexus >> 2017 >> RC F >> Repair and Diagnosis (Single Page) >> Restraints >> Air Bag, SRS >> Occupant Classification System - Diagnostic Codes & Symptom Tests >> Occupant Classification System >> DTC B1790: Center Airbag Sensor Assembly Communication Circuit Malfunction [09/2014 - 03/2019] >> Wiring Diagram

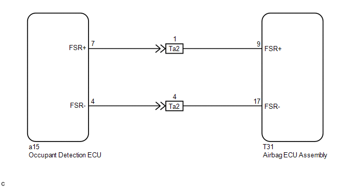
DTC B1790: Center Airbag Sensor Assembly Communication Circuit Malfunction [09/2014 - 03/2019]: Wiring Diagram

GTY502651Courtesy of © TOYOTA, LICENSE AGREEMENT TMS1002