LEMON Manuals: Even more car manuals for everyone
Home >> Lexus >> 2017 >> RC F >> Repair and Diagnosis (Single Page) >> Accessories & Equipment >> Wiper/Washer Systems >> Wiper System / Washer System - Diagnostics - Introduction >> Wiper And Washer System >> System Diagram [03/2019 - ] >> System Diagram [03/2019 - ]

System Diagram [03/2019 - ]

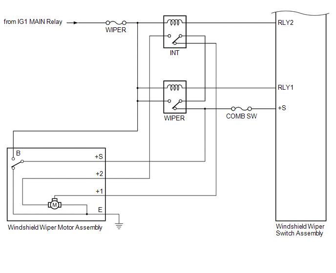
  1. WIPER SYSTEM 
    Fig 1: Wiper System Diagram (1 of 2)
    GTY960692Courtesy of © TOYOTA, LICENSE AGREEMENT TMS1002
    Fig 2: Wiper System Diagram (2 of 2)
    GTY961445Courtesy of © TOYOTA, LICENSE AGREEMENT TMS1002
  2. WASHER SYSTEM AND HEADLIGHT CLEANER SYSTEM (w/ Headlight Cleaner System) 
    Fig 3: Washer System And Headlight Cleaner System Diagram (W/ Headlight Cleaner System)
    GTY961037Courtesy of © TOYOTA, LICENSE AGREEMENT TMS1002
  3. WASHER FLUID LEVEL WARNING SYSTEM 
    Fig 4: Washer Fluid Level Warning System Diagram
    GTY777326Courtesy of © TOYOTA, LICENSE AGREEMENT TMS1002