LEMON Manuals: Even more car manuals for everyone
Home >> Lexus >> 2017 >> RC 350 Base, AWD >> Repair and Diagnosis >> External Pages >> Different car >> Section 11 (Lighting System (Ext) - Diagnostic Codes & Circuit Tests) >> Lighting System >> Headlight Dimmer Switch Circuit [11/2021 - ] >> Wiring Diagram

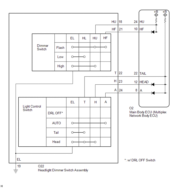
Headlight Dimmer Switch Circuit [11/2021 - ]: Wiring Diagram

WARNING: This page does not describe the selected car, but rather 12 other vehicles, including the 2024 Lexus RC 350, 2024 Lexus RC 300, 2023 Lexus RC 350, 2023 Lexus RC 300, and 2022 Lexus RC 350. However, it is still accessible from the selected car via links, so may be relevant.
GTY1086886Courtesy of © TOYOTA, LICENSE AGREEMENT TMS1002