LEMON Manuals: Even more car manuals for everyone
Home >> Lexus >> 2017 >> RC 350 Base, AWD >> Repair and Diagnosis (Single Page) >> Suspension >> Suspension Control Systems >> Adaptive Variable Suspension System - Diagnostics - Introduction >> Adaptive Variable Suspension System >> System Diagram [09/2014 - 10/2015] >> System Diagram [09/2014 - 10/2015]

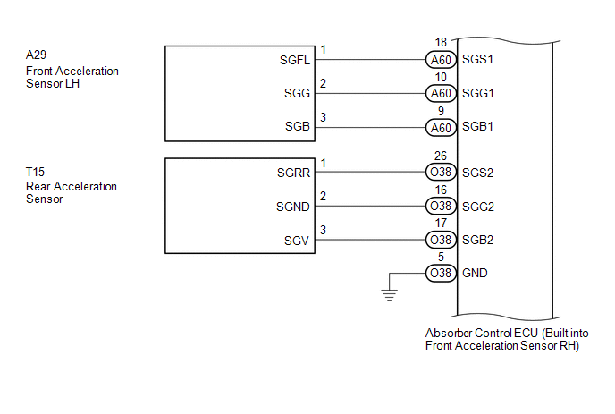
System Diagram [09/2014 - 10/2015]

GTY516194Courtesy of © TOYOTA, LICENSE AGREEMENT TMS1002
GTY521517Courtesy of © TOYOTA, LICENSE AGREEMENT TMS1002
GTY514671Courtesy of © TOYOTA, LICENSE AGREEMENT TMS1002