LEMON Manuals: Even more car manuals for everyone
Home >> Lexus >> 2017 >> RC 350 Base, AWD >> Repair and Diagnosis (Single Page) >> Engine Performance >> System >> Engine Control System (2GR-FSE) - Diagnostic Codes (5 Of 5) & Circuit Tests >> SFI System >> VC Output Circuit [09/2014 - 11/2017] >> Wiring Diagram

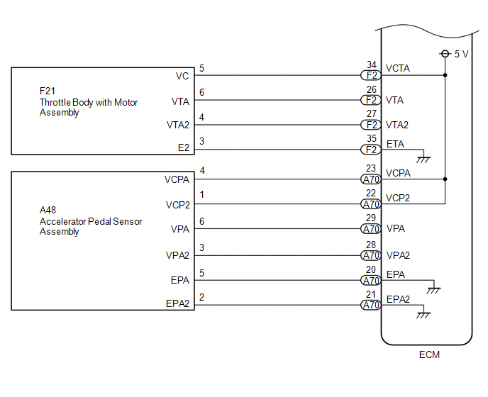
VC Output Circuit [09/2014 - 11/2017]: Wiring Diagram

GTY512824Courtesy of © TOYOTA, LICENSE AGREEMENT TMS1002
GTY495936Courtesy of © TOYOTA, LICENSE AGREEMENT TMS1002