LEMON Manuals: Even more car manuals for everyone
Home >> Lexus >> 2017 >> RC 350 Base, AWD >> Repair and Diagnosis (Single Page) >> Body & Frame >> Mirrors >> Power Mirror Control System (W/ Memory) - Diagnostics - Introduction >> POWER MIRROR CONTROL SYSTEM (w/ Memory) >> System Diagram [10/2022 - ] >> System Diagram [10/2022 - ]

System Diagram [10/2022 - ]

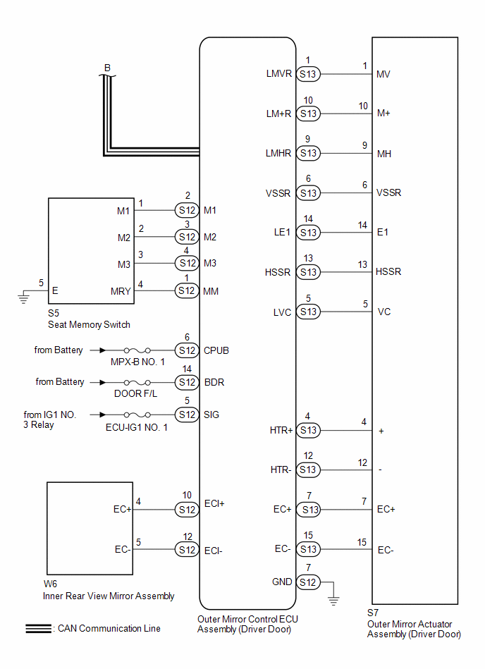
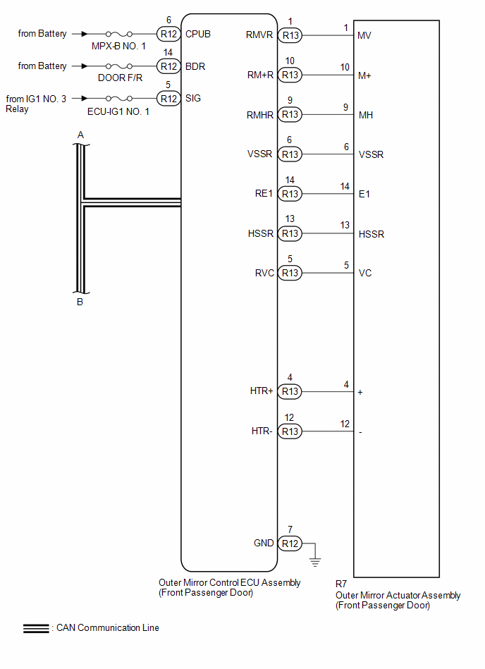
  1. POWER MIRROR CONTROL SYSTEM 
    GTY515211Courtesy of © TOYOTA, LICENSE AGREEMENT TMS1002
    GTY1138081Courtesy of © TOYOTA, LICENSE AGREEMENT TMS1002
    GTY1138167Courtesy of © TOYOTA, LICENSE AGREEMENT TMS1002
    COMMUNICATION TABLE

    Sender Receiver Signal Line
    Air Conditioning Amplifier Assembly Main Body ECU (Multiplex Network Body ECU) Mirror heater drive request signal CAN
    Main Body ECU (Multiplex Network Body ECU) Outer Mirror Control ECU Assembly
    • IG signal
    • ACC signal
    • Multiplex network master switch assembly operation signal
    • Mirror position request signal (seat position memory and reactivation function)
    • Mirror position request signal (reverse shift-linked function)
    • Mirror heater drive request signal
    CAN
    Outer Mirror Control ECU Assembly Main Body ECU (Multiplex Network Body ECU)
    • Outer mirror state signal
    • Seat memory switch signal
    CAN
    Certification ECU (Smart Key ECU Assembly) Main Body ECU (Multiplex Network Body ECU) Key ID signal CAN
    ECM Main Body ECU (Multiplex Network Body ECU) Reverse signal CAN
    Air Conditioning Control Assembly Air Conditioning Amplifier Assembly Mirror heater switch (rear window defogger switch) operation signal LIN
    Multiplex Network Master Switch Assembly Main Body ECU (Multiplex Network Body ECU) Outer mirror switch signal LIN