LEMON Manuals: Even more car manuals for everyone
Home >> Lexus >> 2017 >> RC 300 Base >> Repair and Diagnosis (Single Page) >> Engine Performance >> System >> Engine Control System (2GR-FSE) - Diagnostic Codes (4 Of 5) >> SFI System >> DTC P0705: Transmission Range Sensor Circuit (PRNDL Input) [09/2014 - 10/2015] >> Wiring Diagram

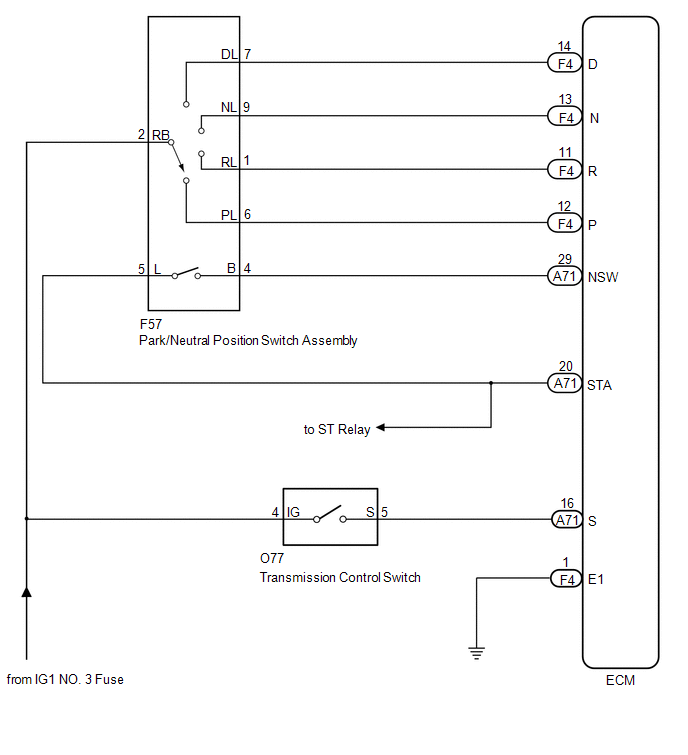
DTC P0705: Transmission Range Sensor Circuit (PRNDL Input) [09/2014 - 10/2015]: Wiring Diagram

GTY514503Courtesy of © TOYOTA, LICENSE AGREEMENT TMS1002