LEMON Manuals: Even more car manuals for everyone
Home >> Lexus >> 2017 >> RC 200t Base >> Repair and Diagnosis (Single Page) >> Electrical >> Fuses & Circuit Breakers >> OEM Junction Block, Ecu & Fuse/Relay Locations >> Relay Block Identification >> Engine Room Relay Block Assembly And Engine Room Junction Block Assembly No. 2 - Left Engine Compartment >> Engine Room Relay Block Assembly and Engine Room Junction Block Assembly No. 2 Inner Circuit

Engine Room Relay Block Assembly and Engine Room Junction Block Assembly No. 2 Inner Circuit

Fig 1: Engine Room R/B And J/B Assembly No. 2 Circuit Diagram With Relays (1 Of 3)
G00585426Courtesy of © TOYOTA, LICENSE AGREEMENT TMS1002
ENGINE ROOM R/B AND J/B No. 2 INNER CIRCUIT RELAY IDENTIFICATION

RELAY DESCRIPTION
IG1 MAIN Relay
EFI MAIN NO. 2 Relay
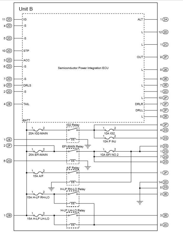
Fig 2: Engine Room R/B And J/B Assembly No. 2 Circuit Diagram With Relays (2 Of 3)
G00585427Courtesy of © TOYOTA, LICENSE AGREEMENT TMS1002
ENGINE ROOM R/B AND J/B No. 2 INNER CIRCUIT RELAY IDENTIFICATION

RELAY DESCRIPTION
IG2 Relay
EFI-MAIN Relay
A/F Relay
H-LP RH-LO Relay
H-LP LH LO Relay
Fig 3: Engine Room R/B And J/B Assembly No. 2 Circuit Diagram With Relays (3 Of 3)
G00585427Courtesy of © TOYOTA, LICENSE AGREEMENT TMS1002
ENGINE ROOM R/B AND J/B No. 2 INNER CIRCUIT RELAY IDENTIFICATION

RELAY DESCRIPTION
FAN Relay
S-HORN Relay
ST NO. 1 Relay
HORN Relay
STRG HTR Relay
INJ Relay
WIPER Relay
INT Relay