LEMON Manuals: Even more car manuals for everyone
Home >> Lexus >> 2017 >> RC 200t Base >> Repair and Diagnosis (Single Page) >> Accessories & Equipment >> Anti-Theft Systems >> Smart Access System (For Start) - Symptom Tests >> SMART ACCESS SYSTEM WITH PUSH-BUTTON START (for Start Function) >> Power Source Mode does not Change to ON (IG and ACC) [10/2015 - 11/2017] >> Wiring Diagram

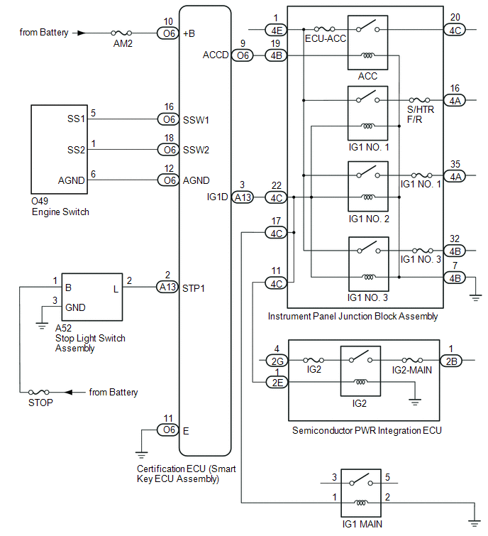
Power Source Mode does not Change to ON (IG and ACC) [10/2015 - 11/2017]: Wiring Diagram

GTY516694Courtesy of © TOYOTA, LICENSE AGREEMENT TMS1002