LEMON Manuals: Even more car manuals for everyone
Home >> Lexus >> 2017 >> NX 300h >> Repair and Diagnosis >> Engine Performance >> System >> Engine Control System - Diagnostics - Introduction (1 Of 3) >> SFI System >> System Diagram [10/2014 - 05/2019] >> System Diagram [10/2014 - 05/2019]

System Diagram [10/2014 - 05/2019]

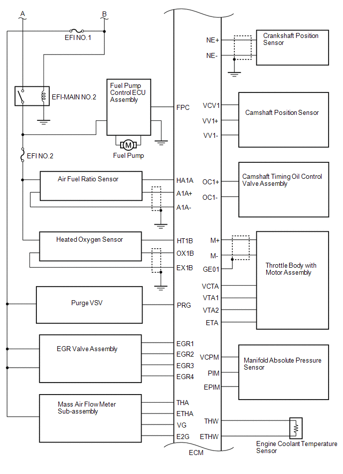
Fig 1: SFI System Diagram (1 Of 3)
GTY506537Courtesy of © TOYOTA, LICENSE AGREEMENT TMS1002
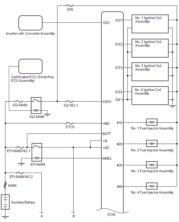
Fig 2: SFI System Diagram (2 Of 3)
GTY512336Courtesy of © TOYOTA, LICENSE AGREEMENT TMS1002
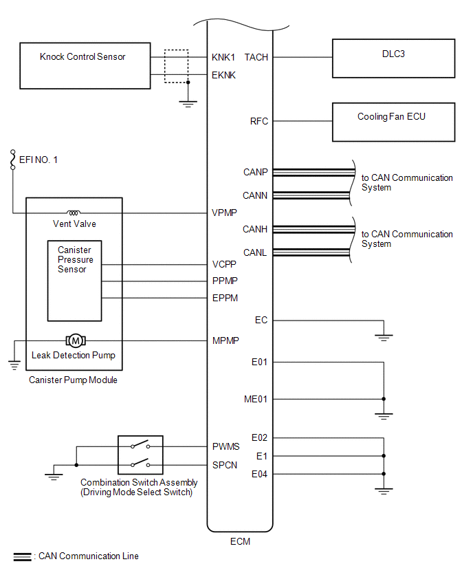
Fig 3: SFI System Diagram (3 Of 3)
GTY507040Courtesy of © TOYOTA, LICENSE AGREEMENT TMS1002