LEMON Manuals: Even more car manuals for everyone
Home >> Lexus >> 2017 >> LX 570 >> Repair and Diagnosis (Single Page) >> Steering >> Steering Column >> Steering Lock System - Diagnostic Codes & Symptom Tests >> Steering Lock System >> Steering Lock does not Lock [09/2015 - ] >> Wiring Diagram

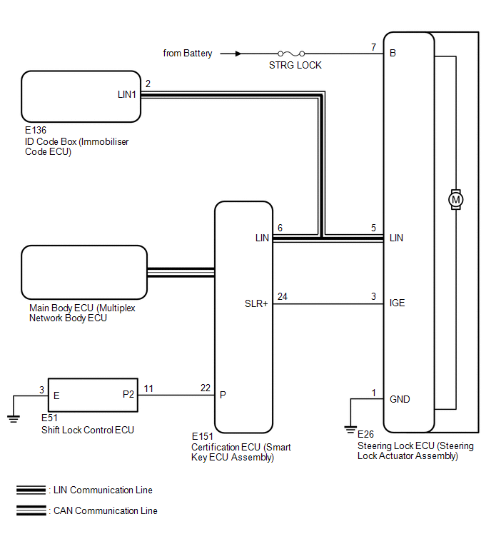
Steering Lock does not Lock [09/2015 - ]: Wiring Diagram

GTY676337Courtesy of © TOYOTA, LICENSE AGREEMENT TMS1002